【普及参考事項】
|
緑肥の分解に伴う畑作物の初期生育の障害について 北海道農試畑作部 |
はじめに
緑肥の鋤込により、しばしば畑作物の初期生育が害されることは可成り普遍的に認められ、障害は殆ど全ての作物についてみられるが、程度の差はあるけれども主として若い根の先端部に強い壊死部を起こし、また地上部は黄化萎縮して、激しいものは枯死するかあるいは全く発芽しないまま土中で腐敗する。比較的症状が軽いものは漸次回復して生育を続けるが、初期生育の多少の遅延はまぬがれないことが多い。
障害は緑肥が活発に分解する期間に限られており、又緑肥が種子の近くにある時に激しい、従って発芽障害を起こす様な場合で、比較的鋤込深度の浅い場所にみられる。また発芽後の生育が遅滞したり、不揃いである場合には、もっと深い所で根に障害をうけていることが多い。また豆類やビートの様に発芽当時に一本の種子根が伸長するものは、当然強く障害をうけ易いが、麦類の様に多数の根が伸長する作物は、それほど決定的な障害とはならないので回復することが多い。今後飼料作物の作付の増加が予想されるが、輪作における後作物の栽培上においても、また地力維持上確実な緑肥の利用を図るためにも、障害の原因を把握し適切な技術的対策樹立上の資を得ることは極めて重要であると思われるので尚今後の研究を必要とするが、差当たりの対策の参考として今までに明らかとなった結果を報告する。
Ⅰ障害原因の解析
1)土壌空気との関連について
空気の存在する条件のもとで有機物の分解には酸素が消費されるので、緑肥が分解する場合、作物根は酸素不足の条件におかれるのでこれが障害の原因であり、又分解の時に発生する多量の炭酸ガスの影響も大きいと考えられ、従来この意見が強かったので更にこの点について検討してみた。
第1表
| 処 理 | 発芽率 | 地上部 障害 |
草丈 (㎝) |
根障害 | 根長 (㎝) |
| 炭酸ガス通気(1分当5~7cc) 播種直後から常時 |
6/6 | なし | 6.9 | なし | 10.9 |
| 炭酸ガス通気(1分当5~7cc) 播種3日後から常時 |
〃 | 〃 | 7.6 | 〃 | 11.8 |
| 無 処 理 | 〃 | 〃 | 7.2 | 〃 | 15.0 |
それによれば、第1に炭酸ガス通気土壌に生育する燕麦は、確かに生育不振であるが(第1表)、緑肥の障害の様な細胞組織の特異的なnecrosisは全く認められないこと、また第2に、緑肥を土壌の極く表層に施用して大気とのガス交換が速やかに行われる様にしても、地上部にのみ激しい障害がみられること等の事実があって、少なくとも土壌空気の変化は直接の原因ではないと推定された。
2)障害原因菌の存在
土壌に加えた緑肥の分解と障害発現の推移について、障害の最も激しい時期が分解最盛期であることから(第1図)この時期の土壌を殺菌処理して分解の進行を止めた場合、果たして障害がみられるかどうかを検討した。第2表は障害が激しく発現する筈の緑肥を背様した土壌を培養2日後及び3日後に60~70℃30分の加熱処理を加えた場合の効果を示している。これによって明らかに障害は除かれているので、分解の進行に伴って活性を増大する或種の微生物が障害の発現に関与すると考えられた。
3)障害原因菌の確認
障害が微生物によって生ずる物であるなら殺菌した土壌では障害が出ないと考えられるので同一緑肥背様土壌について殺菌したものと、そのまま土壌を用いて室内実験を行った結果、殺菌土壌では発芽、生育障害はみられず、原土では障害が発生したので微生物が原因と推定された。よって障害部分から微生物の分離を試みたところ菜豆と燕麦の障害部分から同一種の菌を分離した。また障害部の組織内にこの菌の菌糸が侵入していることを確認した。この菌に関し研究した結果、ピシウム・グラシル・シエンク(Pythiu gracile SCHENK)近縁のものであることが判った。
尚この菌は道内土壌については琴似沖積土、美唄泥炭地、紋別重粘地、外に本州からも数種の土壌を集め、緑肥を施用し燕麦を用いて発芽状況と短期間の生育調査を行った(室内実験)その結果は土壌により緑肥の分解に遅速があり、急に分解の進む土壌に於いて障害が強く、またPythium菌はいづれの土壌でも存在し障害原因であることは確認した。道内土壌について障害の程度は芽室火山灰<琴似沖積土=美唄泥炭>紋別洪積重粘土であった。
以上のことからPythium菌の活性と緑肥の分解速度との間に密接な関係があると推察された。
また、芽室の赤クロバー栽培土壌を層位別に採取して緑肥の障害を検討した結果では、表層部の土壌程分解が旺盛で、しかも障害の現れ方も早いことがうかがわれ、一般に表層部における原因菌の生存数が大きいことを示していると思われた。
第2表 芽室層位別土壌における緑肥の障害
| 層位 | PH | 発芽率 | 地上部障害 生育量(mg) |
地株障害 生育量(mg) |
菌糸 生育 |
| A 0~5 | 6.40 | 9/15 | +420 | ++140 | ++ |
| B 5~10 | 6.42 | 8/15 | +370 | ++200 | ++ |
| C 10~15 | 6.42 | 11/15 | ++200 | ++270 | + |
| D 15~20 | 6.50 | 14/15 | ++310 | +380 | + |
| E 20~25 | 6.52 | 13/15 | ++420 | +520 | + |

第1図 芽室層位別土壌における緑肥の分解 (25℃)
3)緑肥の分解における要因菌の役割
緑肥の分解に原因菌が大きな役割を果たしていることが想定されるところから、分解者としてのピシウム菌の性格を検討した。
分解緑肥に繁殖している主要な糸状菌の分離を幾つかの土壌について行い第3表の結果を得た。分解の速やかな芽室、桔梗原土壌ではピシウム菌の分離頻度は100%を示し、分解が緩慢で障害程度も軽い黒石原、紋別土壌は低い分離頻度であった。Pythiumの他に全般に極めて高い頻度で分離されるフザリウム(Fvsarium)の一種があり、おそらくこの両者が多くの場合緑肥の分解に主要な位置を占めていると考えられるが、両者の培養的性質や緑肥の無機化速度はピシウム菌の方が遙かに生育が早く、かつ旺盛であって(第2図)緑肥の分解速度とピシウム菌の発現は極めて密接な関係にあると思われる。
第3表 クロバーの分解における主な糸状菌の分離頻度 %
| 糸菌状 | 芽室 | 桔梗原 | 琴似 | 黒石原 | 紋別 |
| Pythinm spp | 100 | 100 | 92 | 33 | 7 |
| Fusarium sp | 80 | 100 | 100 | 100 | 20 |
| Anorher Fusarium sp | 26 | 7 | 13 | - | - |
| Other species | 34 | 47 | 14 | 20 | 40 |
| Pieces colonized | 100 | 100 | 100 | 100 | 67 |

第2図 クロバー葉の分解におけるピシウムとフザリウムの無機化速度(25℃)
更に、緑肥の分解が著しく緩慢であった紋別土壌、及び芽室の下層土壌にピシウム菌を接種していづれも分解の著しい促進と、強い障害の発現を認めた。このことは、障害原因菌であると共に、緑肥分解者としてのピシウム菌の性格を強く示している。
4)有機物の種類とピシウム菌の発現
ピシウム菌は緑肥に限らずいろいろな有機物の分解初期にはたらく可能性が大きいので、数種の畑作有機物について検討した結果、容易にピシウム菌の発現があって、同じ様な生育障害を与えることを認めた。(第4表)
また、これらの有機物の分解と障害発現の程度は相互によく関連しており(第3図)、ピシウム菌が直接分解の進行を左右した。
第4表 種々の有機物による生育障害の発現
| 有機物 | 障害程度 | 地上部生育(mg) | 地株生育(mg) | ピシウム菌 |
| 赤クロバー | ++ | 750 | 440 | + |
| チモシー | + | 820 | 550 | + |
| 大豆葉 | ++ | 700 | 400 | + |
| 麦わら | ±(-) | 950 | 780 | ? |
| 大豆粕 | ++ | 570 | 370 | + |
| けい糞 | + | 680 | 500 | + |
| 堆肥 | - | 1,030 | 780 | - |
| 無添加 | - | 1,000 | 800 | - |

第3図 種々の有機物の分解速度(25℃)
Ⅱ 障害の対策
障害の直接原因は緑肥の分解に密接な関係を有するピシウム菌の活性に基づくものと考えられ、従ってこの菌の活性を避け、或いは抑制することに対策の主眼がおかれなければならない。
1)障害発生の時期と緑肥の鋤込時期
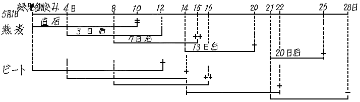
緑肥の分解最盛期が最も激しい時期をはづして作物の初期生育を完了させることは、障害を避けるための極めて自然な方法と云える。一例として、搬入赤クロバー緑肥を5月1日に背用した場合は第4図、第5表に示す通り、1週後に播種した場合が最も障害が激しく、3週間後では全く障害を受けなかった。

第4図 緑肥施用後の作物播種期と障害発生状況(芽室、昭和37年発芽揃期に調査)
(注) 直後、3日後等は鋤込直後播種、鋤込3日後播種を示す。
-は障害なし、±は僅かにあり、+はかなりあり、++は著しいを示す。
第5表 同上発芽数の推移
| 作物処理 | 直後播種 | 3日後 | 7日後 | 13日後 | 20日後 |
| 燕麦緑肥施用 | 82 | 83 | 64 | 85 | 93 |
| 対照 | 97 | 94 | |||
| ビート緑肥施用 | 25 | 11 | 5 | 62 | 122 |
| 対照 | 115 | 108 |
現実には気象条件や時期によって、一概に云い切ることは困難であるが、多くの場合5月上旬に鋤込みを行って2週間程度の日数をおくのが望ましく、1週間前後では障害をうける危険が大きい。
より安全を期するには、前年の秋に鋤込みを行うことで、秋から冬まで、或いは春先から播種期までに、分解の過程は可成り進行して多くは硝酸化成の段階に移行し、障害は起こらない。
しかし、緑肥の肥効からみれば、秋施用は養分の溶脱があって不利であるという見方があるので、この点は別に考慮する必要を生ずるが、秋の耕起作業は労働生産性を高めることが多いのは事実である。
2)耕起鋤込の深さの影響
これは機械化の上でも重要な問題であるが、出来るだけ深耕して深く鋤込み作物の播種床附近に緑肥をおかない様にすることが大切で、作物の発芽障害や生育に対する決定的な打撃は、地上部に障害をうける場合が多いことからも当然である。
3)石灰添加の効果について
従来、分解促進を図るために緑肥鋤込時に石灰を散布することが行われているが、ピシウム菌の適PHを考えれば、原土壌のPHが6内外であれば石灰施用により多少PHをあげても緑肥の分解を早めて障害を回避或いは軽減することにならない。これは実験の結果からも裏付けられた。
4)薬剤による菌の抑制効果の有無について
ピシウム菌の発育に対する各種農薬の抑制効果について検討したところ、室内実験では有機並に無機水銀剤、キャプタン剤、チウラム剤、PCPなどはよく抑制するが実際土壌に緑肥を加えて試験した結果では緑肥の旺盛な分解を押さえ切ることは困難であった。然しホルマリンの稀釈液で土壌を処理すると土壌中の微生物相に変化を来し障害の発現を防ぐことができる実用性の点でなど問題が残っている。
5)緑肥の分解促進による障害回避の可能性について
ピシウム菌が緑肥分解の主役を演じていることを応用して、本菌を土壌に加えて分解を促進し種子の発根伸長前に緑肥分解の旺盛期を終わらせる方法について検討した。框試験でピシウム菌を培養した土を散布したところ緑肥クロバーの分解は早まり、又燕麦根の障害も少なかった。
しかしこの方法は各種の土壌について各種の条件の下に於いて緑肥分解の進度を完全に調節出来る期間の範囲を知る必要があり今後の研究に俟たなければならない。
第6表 障害の発現に対するホルマリン処理の影響
| 処理 | 発芽率 | 地上部障害 | 草丈(㎝) | 地株障害 | 根長(㎝) |
| 300PPm | 6/7 | ± | 3.0 | ± | 7.0 |
| 900PPm | 6/7 | - | 3.5 | - | 8.2 |
| 無処理 | 4/7 | ++ | 1.2 | ++ | 4.5 |
第7表 ピシウム菌接種の燕麦根の障害率に対する影響
| 処理 | 処理3日後 播種燕麦 |
処理8日後 播種燕麦 |
||
| 根長(㎝) | 障害率(%) | 根長(㎝) | 障害率(%) | |
| 接種 50㎏/10a | 11.6 | 15.4 | 12.8 | 3.7 |
| 接種 100kg | 12.0 | 10.5 | 12.7 | 4.1 |
| 無接種 | 11.0 | 47.4 | 13.0 | 9.1 |
| 対照 | 12.0 | - | 13.3 | - |
むすび
緑肥の施用に伴う畑作物の生育障害は、緑肥の分解に際して急激に活性を増大するピシウム菌によるものと考えられ、畑状態における多くの土壌条件においては、少なくとも直接原因とみて差し支えないと思われる。
ピシウム菌は活性休止の状態で広く土壌中に存在し、利用し易い有機物が施された場合、旺盛にこれを分解し、再びもとの状態に帰るものとみられる。通常土壌病害としては作物に対し決定的な打撃を与えることはむしろ稀であって、たまたま緑肥という好適な、また豊富な基質のために、極端に活性を増大するものと考えられる。
従って、障害の対策には、原因菌の性格を考慮し気質の分解盛期をはずして作物の播種を行うことは、期せずしてして最も自然な方法と云える。より安全を図るには勿論秋耕が望ましい。但し播種期の早いビート、馬鈴薯等は、余り遅くに秋耕すると矢張り必ずしも安全とはいえない。
また出来るだけ深く鋤込むことも、決定的な障害を避ける上では実際的な手段である。
農薬による抑制は余り多くを期待することは困難と思われる。原因菌を抑えるというよりも、むしろ分解時期を調節して活性を避ける様な適切な制御方について今後研究が必要である。