| 1.課題の分類 組織化 請負作業 畑作 2.研究課題名 粗飼料生産における請負作業の成立条件に関する調査研究 3.期 間 昭和48〜50年度 4.担 当 道立十勝農業試験場 浦谷孝義、村井信仁、篠原紀巳史 5.予 算 区 分 総合助成 6.協 力 分 担 道立根釧農試 |
7.目 的
酪農経営の規模拡大に伴い、乳牛飼養管理部門と飼料生産部門(特に収穫作業)とのあいだで労働配分に無理が生ずる可能性がある。十勝においては粗飼料の主体は乾草であり、この収穫調整を経営から分離し、さきの労働問題の解決の可能性について検討する。
8.試験研究方法
(1)アンケート調査:十勝管内大樹町、広尾町、更別村、忠類村、新得町、陸別町、足寄町、清水町の農家191戸
(2)聞き取りによる実態調査:大樹町の酪農家2戸
9.結果の概要・要約
(1)飼料の作付実態についてみると、頭数規模の拡大に伴って飼料面積が増大する。また近年ではデントコーンの作付が増加しているのが目立つ。
(2)乾草の収穫作業体系はモーア(刈取)→テッダ(反転)→レーキ(集草)→ベーラ(相包)→トラック・ワゴン(運搬)であり、平均3日で仕上がる。天日乾燥に依存していることが基本的な問題点である。
(3)乾草の収穫作業は過半が家族のみで行っており、半面機械の所有は共同所有が多い。
(4)デントコーンの作業体系は、ハーベスタ(刈取・細断)→トラック・ワゴン(運搬)→ブロア(詰め込み)であり、ほとんどが共同作業である。
(5)労働配分の面では、頭数規模が拡大しても畜舎内作業時間は増加しない。これはパイプラインやバーンクリーナの導入による省力化の効果である。
(6)飼料面積は頭数が多いほど大きいが、それに伴って作業能率が向上しているわけではない。また天日乾燥に依存しているため、天候の影響をうけ、1回の刈取面積が制限される。これらの事情によって適期刈取のできない部分が生じ、後へのずれ込みが生ずる。このずれ込みは乾草の品質の低下、次の番草の生育・収量への影響、デントコーン収穫との競合などの問題を派生する。
(7)乾草の収穫作業のずれ込みは、現状の作業体系では請負作業によっても解消できない。
(8)天日乾燥から脱脚するには人工乾燥を行うことである。人工乾燥の場合としてはドライヤ方式、ヘイタワー方式、ヘイキューバが考えられるが、施設費や燃料費、さらに水分蒸発のために多大のエネルギーと長時間が必要であり、能率、経費の両面から現実的ではない。
(9)乾燥の場合には請負作業の成立する可能性はほとんどない。ずれ込みを解消するには乾草の面積を減らす、つまりデントコーンや牧草サイレージへの依存を高めることである。サイレージの場合は、作業行程からみて請負作業の成立する可能性がある。
10.主要成果の具体的数字
表1 頭数規模と飼料面積(大樹町)
| 10〜20頭 | 20〜30頭 | 30〜40頭 | 40〜50頭 | 50頭〜 | |||||||
| 酪農家戸数 | 62 | 82 | 79 | 53 | 53 | ||||||
| デントコーン面積 | 0〜1ha | 23戸 | 37.1% | 10戸 | 12.2% | 2戸 | 2.5% | 1戸 | 1.9% | 4戸 | 7.5% |
| 1〜3 | 29 | 46.8 | 50 | 61.0 | 28 | 35.4 | 8 | 15.1 | 0 | 0 | |
| 3〜5 | 1 | 1.6 | 15 | 18.3 | 47 | 59.4 | 34 | 64.2 | 20 | 37.7 | |
| 5〜 | 0 | 0 | 1 | 1.2 | 1 | 1.3 | 11 | 20.8 | 29 | 54.7 | |
| 採 草地面積 | 0〜10ha | 48 | 77.4 | 40 | 48.8 | 32 | 40.5 | 6 | 11.3 | 1 | 1.9 |
| 10〜15 | 11 | 17.7 | 24 | 29.3 | 34 | 43.0 | 16 | 30.2 | 8 | 15.1 | |
| 15〜20 | 0 | 0 | 11 | 13.4 | 10 | 12.7 | 18 | 34.0 | 18 | 34.0 | |
| 20〜25 | 0 | 0 | 2 | 2.4 | 1 | 1.3 | 7 | 13.2 | 16 | 30.2 | |
| 25〜30 | 0 | 0 | 0 | 0 | 2 | 2.5 | 2 | 3.9 | 1 | 1.9 | |
| 30〜 | 0 | 0 | 0 | 0 | 0 | 0 | 1 | 1.9 | 6 | 11.3 | |
図1 粗飼料の収穫作業体系
A)乾草の場合

B)デントコーンの場合

表2 乾草収穫作業への対応
| 回答無 | 家族のみ | 家族+出面 | 共同・手間際 | 他の農家 | その他 | 計 | ||
| 西部(新得・清水) | 5.4% | 35.7% | 10.7% | 44.6% | 1.8% | 1.8% | 56戸 | |
| 南部(広尾・大樹・更別・忠類) | 3.0 | 64.0 | 10.0 | 23.0 | 100 | |||
| 東北部(足寄・陸別) | 11.4 | 51.4 | 2.9 | 31.4 | 2.9 | 35 | ||
| 計 | 実数 戸 | 10 | 102 | 17 | 59 | 2 | 1 | 191 |
| 割合 % | 5.2 | 53.4 | 8.9 | 30.9 | 1.1 | 0.5 | ||
図2 畜舎内作業時間帯(夏季間)

注・バーンクリーナ、パイプラインで×は無、○は有
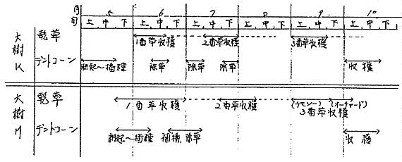
図3 飼料作物への旬別労働配分

表3 牧草の刈取時期と品質
| 刈取時期 | 草丈cm | 葉部割合 % | 乾物中 % | |
| 蛋白質 | 繊維 | |||
| 5月下旬 | 28 | 36 | 20.1 | 20.3 |
| 6月上旬 | 43 | 30 | 17.0 | 27.0 |
| 中旬 | 54 | 29 | 14.1 | 27.8 |
| 下旬 | 82 | 26 | 9.3 | 30.4 |
| 7月上旬 | 91 | 24 | 8.1 | 34.2 |
11.今後の問題点
今後デントコーンの依存は高まるものと思われるが、それをも含めて合理的な飼料構造とその生産体系について検討する必要がある。