【普及奨励事項】
| イチゴ 作型・栽培一般
道南農試 寒地におけるイチゴの短日処理法による秋・春二季どり栽培試験 Ⅰ 短日処理苗の生産性 1.苗の大きさと短日処理時期 期 間 昭和52年〜54年・予算区分 総合助成・協力分担関係 秋田農試 1 担 当 園芸科 今野寛・高橋総夫 |
2 目 的
夏期冷涼な寒地の気候特色を活用し、短日条件(シルバーポリトウによる遮光)を与
えて強制的に花芽分化をうながし夏〜秋に生産する。更にこの株で翌春再生産を図る
ため、短日処理時期や苗の大きさによる夏秋生産性が次年生産性におよばす影響につ
いて検討し実用化を図る。
3 試験方法
| 52年度 | 53年度 | 54年度 |
| 採苗時期×同葉数×処理時期 | 採苗時期×同葉数×処理時期 | 採苗時期×同葉数×処理時期 |
| 9月10日 4葉 5月20日 | 8月4日 4 5月6日 | 8月4日 4 5月7日 |
| 2葉 6月5日 | 9月20日 3 5月19日 | 9月20日 3 5月21日 |
| 6月20日 | 2 ※6月5日 | 2 ※6月5日 |
| ※6月20日 | ※6月20日 | ※6月20日 |
| 対照一季どり | 対照一季どり | |
| 7月7日 5葉 8月7日定植 | 8月6日 5葉 9月7日定植 | |
| 8月4日 5葉 9月7日定植 |
4 結果および考察
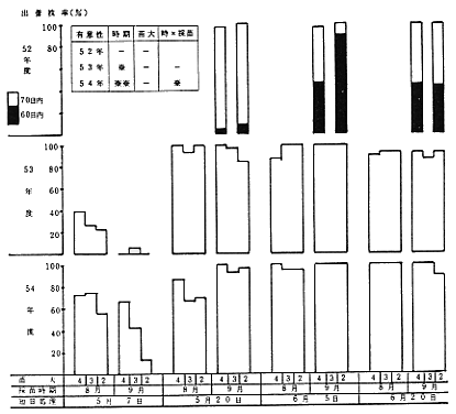
ア.短日処理時期による夏秋どり収量は、処理時期が遅いほど苗素質が良化されるため花成効果が高く、又気温も低温経過になるため平均1果重が増大し多収傾向を示すが、これらの株の春収量は逆に処理時期の早いものが夏秋どり後の生育期間が長いため腋芽充実が良好で花房数増加や上物果数が多くなり多収となる。又処理時期の遅いものでも秋期にハウス被覆保温によって生育期間の延長を図ると大きな増収効果が認められる。なお一季どり作型の収量に比し6月20日処理の秋露地経過区は少収となるが、その他は同等かそれ以上の多収水準が認められた。
イ.苗の大きさによる夏秋どり収量は8月と9月それぞれの採苗時期において4葉苗が多収である。これら春収量は遅い6月処理にあっては夏秋どり多収区が少収となるなど株疲れ的様相を示した区が多出したが、その他の処理時期にあっては夏秋どり同様に4葉苗が多収である。
ウ.採苗時期による収量は二季ともに遅い9月採苗が多収になる。8月採苗は育苗期間が長く、根の老化や大苗のため短日処理時期が遅い場合に過繁茂や苗素質の悪化が考えられ、又獲得苗数の関係からも9月採苗が良策である。
エ.以上から短日処理時期についてはそれぞれの作型であり、各作型とも9月に採苗し苗床(短日処理予定床)に移植し、苗の大きさは展開葉4葉苗を主体にする。6月め短日処理時期のものは秋期ハウス保温が望ましい
5 主要な試験データー


6 今後の問題点
7 成果の取扱い(普及指導上の注意事項)
(1)採苗期が9月になると子株数が極めて多くなり徒長化しやすいので、親株栽植密度は粗植にする。(他作型利用のため7月下旬〜8月上旬に一度採苗する場合は北海道野菜栽培基準による)