【指導参考事項】
|
1.課題の分類 ダイズ病害 病 害 虫 十勝農試 2.研究課題名 ダイズ黒根病対策 3.期 間 (昭和59年) 4.担 当 病虫予察科 5.予算区分 総合助成 6.協力分担 |
7.目 的
ダイズ黒根病の発生実態を把握し,発生実態調査より発生生態および発生要因を検討し,今後の防除対策の資料とする。
8.試験研究方法
1)発生実態調査 発生分布,土壌pHと発病,土壌水分と発病,連輪作と発病
2)発生生態 病原菌の同定,伝染経路(土壌,種子),感染条件(pH,菌量),発生消長,寄主範囲
3)防 除 法 抵抗性品種の検定
9.試験結果の概要・要約
発生分布
1)十勝管内では,本別町,池田町,豊頃町,浦幌町,芽室町で,空知管内では長沼町で発生が認められた。
被 害
1)発病が著しい場合,主茎長は短く,着英数も少なく,子実収量で約30%減収した(表-1)。
病原菌 ( )はトウモロコシ粒培養菌
1)本病菌は内生分生胞子,内生分生胞子柄,厚膜胞子を形成する。
2)内生分生胞子は,無色,単胞,短桿状で,大きさは3.3-5.4×8.4-17.6μm(3.0-8.2×9.6-24.0μm)である(表-2)。
3)内生分生胞子柄は無色の細い円筒形で,頂端はやや細く,ここより胞子を放出する。長さは41.5-65.0μm(29.0-94.2μm),基部の巾は4.5-8.1μm(3.6-7.9μm),先端の巾は3.0-5.7μm(2.1-6.1μm)である(表-2)。
4)厚膜胞子は単生または籏生する。1〜3個の無色,薄膜の基細胞上に,黒褐色で円筒形の厚膜胞子を1〜7個鎖生する。この厚膜胞子は個々に離れる。厚膜胞子の全体の長さは23.0-59.0μm(14.4-57.2μm),個々の大きさは5.2-9.9×7.8-13.4μm、(4.6-13.5×6.6-14.3μm),個数は1〜7である(表-2)。
5)本病菌の菌糸は10〜30℃で生育し,20〜25℃で良好であった(図-1)。
6)pH3.0〜7.2の範囲で,本病菌はpH4.0〜7.2で生育し,pH3.0での生育は認められなかった。pH5.1〜7.2での生育が良かった(図-2)。
7)本病菌はThielaviopsis basicolaと比較して,内生分生胞子柄の長さに違いがみられたが,その他の形態ではほとんど差はなかった(表-2)。
8)本病菌とタバコ黒根病菌(T.basicola)の温度,pH反応について比較したが,ほとんど差は認められなかった(図-1,図-2)。
9)以上の結果、本病菌はThielaviopsis basicola(Berkley et Broome)Ferrarisと同定された。
寄主範囲
1)本病菌は,ダイズ,インゲンマメ,アズキ,エンドウの豆類とタバコに病原性を示した。
発生生態
1)土壌伝染する(表-3)。
2)種子より本病菌は検出されなかった。さらに検討する必要がある(表-4)。
3)乾土1g当り103個程度の菌密度で感染を認めた。
4)沖積土における発病は,湿性火山灰土および乾性火山灰土における発病より若干多い傾向を示した(表-5)。
5)土壌pHと発病に一定の傾向は認められなかった。本試験は分生胞子で行ったので,厚膜胞子での検討が必要である。
6)発病は,乾燥区より湿潤区で多い傾向が認められた。
発生実態調査
1)豆類の作付回数が多いほ場での発生が多かった(表-7)。
2)本病の発生は沖積土のみで,湿性火山灰土および乾性火山灰土での発病は認められなかった(表-8)。
3)土壌pHと発病に一定の傾向は認められなかった(図-3)。
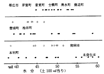
4)ほ場容水量,毛管連絡切断点水分および水分保持量と発病に一定の傾向は認められなかった(図-4,毛管連絡切断点水分・水分保持量の図省略)。
抵抗性品種
1)25品種,17系統について検定した結果,品種・系統間で抵抗性に差が認められた。
2)十勝長葉,白鶴の子,黄宝珠,早生緑,下田不知1号,中生光黒,ユウズル,ユウヒメ,ヒメユタカ,サッポロミドリ,ワセコガネ,十育114号,十育184号,十育191号,北育1号,P184751の品種,系統は抵抗性強と判定された(図-5,59年度成績のみ掲載)。
10.主要成果の具体的数字
表-1 発病程度と被害
| 発病程度 | 主茎長 ㎝ |
莢数 個 |
子実重(㎏/10a) 子実直径(6.7mm以上) |
同左比 |
| 発病指数4 | 54 | 20.3 | 194 | 69 |
| 〃 1〜2 | 67 | 31.9 | 281 | 100 |

図-1 分離菌株の温度反応(PDA)

図-2 分離菌株のpH反応(V8)
表-2 分離菌株の形態(罹病組織内) ( )内は平均 (μm)
| S-6菌株 | S-7菌株 | 発病根鋤込み | 病土 | T.basicola | ||
| 内生分生胞子 | 3.3-5.4×10.4-17.6 (4.4×13.9) |
3.7-4.8×8.4-14.4 (4.3×12.7) |
3.7-68×10.2-20.7 (4.6×13.9) |
3.2-6.3×7.9-14.6 (7.9×11.7) |
3-5×8-23 (4×15) |
|
| 内生分生 胞子柄 |
長さ | 41.5-62.2 (46.6) |
44.6-65.0 (52.5) |
37.0-62.4 (46.8) |
45.4-60.6 (52.2) |
90-170 |
| 基部 (巾) |
6.3-8.1 (7.1) |
4.5-8.1 (6.2) |
4.9-9.3 (6.9) |
5.7-8.7 (6.6) |
5-6 | |
| 先端 (巾) |
4.0-5.7 (4.5) |
3.0-5.3 (4.1) |
3.4-5.3 (4.4) |
3.3-5.6 (4.4) |
3-5 | |
| 厚膜胞子 | 個体 | 5.9-9.4×8.8-13.4 (8.1×10.8) |
5.2-9.9×7.8-13.2 (8.1×10.8) |
5.7-9.5×7.7-11.3 (7.7×10.0) |
7.2-10.1×8.2-11.8 (8.1×11.0) |
5-18×10-12 |
| 全体 | 30.5-59.0 (36.2) |
23.0-47.7 (34.7) |
11.6-49.9 (34.9) |
16.3-54.6 (34.2) |
25-65 (45) |
|
| 個体 | 1-7 (4.2) |
1-7 (4.5) |
1-7 (4.4) |
1-7 (4.0) |
1-8 | |
表-3 土壌伝染
| 供試品種 | 発病の有無 | |
| 病土 | トヨスズ | +++ |
| 土壌接種 | 〃 | +++ |
表−4 種子伝染
| 採種地 | 供試品種 | 調査粒数 | 本病菌の 検出の有無 |
| 本別町 | トヨスズ | 100 | - |
| 豊頃町1 | キタムスメ | 100 | - |
| 〃 2 | 〃 | 100 | - |
| 〃 3 | 〃 | 100 | - |
| 〃 4 | 〃 | 100 | - |
表-5 土質と発病
| 土質 | 調査 個体数 |
発病 個体数 |
発病 個体率 |
発病度 | pH* |
| 沖積土 (本別町) | 40 | 32 | 80% | 48 | 5.8 |
| 〃 (池田町) | 36 | 27 | 75 | 47 | 6.4 |
| 湿性火山灰土(帯広市) | 39 | 8 | 21 | 6 | 5.4 |
| 〃 (芽室町) | 39 | 28 | 72 | 27 | 6.0 |
| 乾性火山灰土(芽室町) | 43 | 26 | 60 | 27 | 6.7 |
| 〃 (芽室町) | 41 | 33 | 80 | 32 | 5.7 |
表-6 豆類の連作年数と発病(S55〜58年の4年間)
| 豆類の 連作年数 |
調査 ほ場数 |
発生 ほ場数 |
未発生 ほ場数 |
発生 ほ場率 |
| 0 | 12 | 7 | 5 | 58% |
| 1 | 10 | 2 | 8 | 20 |
| 2 | 6 | 4 | 2 | 67 |
| 3 | 2 | 2 | 0 | 100 |
表-7 前4年間の豆類作付回数と発病
| 前4年間の豆 類作付回数 |
調査 ほ場数 |
発生 ほ場数 |
未発生 ほ場数 |
発生 ほ場率 |
| 1 | 8 | 2 | 6 | 25% |
| 2 | 11 | 6 | 5 | 55 |
| 3 | 6 | 4 | 2 | 67 |

図-3 土壌pHと発病

図-4 ほ場容水量水分と発病
表−8 土質と発病
| 土質 | 調査 ほ場数 |
発生 ほ場数 |
未発生 ほ場数 |
| 沖積土 | 42 | 18 | 24 |
| 湿性火山灰土 | 30 | 0 | 30 |
| 乾性火山灰土 | 16 | 0 | 16 |
| 泥炭地 | 1 | 0 | 1 |

図-5 品種・系統と発病度(9月10日)
11.今後の問題点
(1)発生生態の解明−感染機作,発病要因,伝染経路(種子伝染の有無)
(2)防 除 法−耕種的防除法(輪作,施肥),抵抗性品種の育成
12.成果の取扱い
(1)土壌伝染するので,適正な輪作を行い,発生ほ場では抵抗性品種を用いることが望ましい。