【普及奨励事項】
|
1.課題の分類 病 害・畑 作 2.研究課題名 道央多雪地帯における「チホクコムギ」の安定栽培に関する試験成績 −栽培適地の拡大− 3.期 間 昭和57〜60年 4.予算区分 総合助成 5.担 当 中央農試病虫部発生予察科 6.協力・分担関係 中央農試畑作部畑作第1科 上川農試畑作科 |
7.目 的
道央多雪地帯の転換畑において良質小麦(チホクコムギ)の安定生産をはかるため、当地域での越冬性低下の要因を明らかにし、その対策を確立する。
8.試験研究方法
(1)越冬状況調査:空知、石狩、後志、胆振および上川支庁管内に栽培されたホロシリコムギとチホクコムギについて調べた。
(2)雪腐褐色小粒菌核病菌の接種試験:菌量、品種、寒冷紗被覆の有無。
(3)褐色雪腐病に関する試験:発生分布、病原菌の分離、同定、品種間差異。
(4)薬剤防除試験:品種(2)×薬剤(10〜14)×散布時期(2)。
9.結果の概要・要約
(1)越冬状況調査
1)道央地帯における過去4カ年間の小麦雪腐病の発生程度は少〜中であり、多発年には遭遇しなかったが、褐色小粒菌核病、紅色雪腐病および褐色雪腐病のいずれについても、チホクコムギはホロシリコムギより罹病性であると認められた(第1、2表)。
2)特に褐色雪腐病の多発条件下では、チホクコムギにおいて大きな被害を受ける可能性が高いと推定された。
(2)雪腐褐色小粒菌核病菌の接種試験
1)雪腐褐色小粒菌核病の発病は本病原菌の接種(えん麦粒培養菌35g/㎡)によって助長された(第1図)。また寒冷紗被覆も発病をわずかに助長した。
2)チホクコムギでの発病はホロシリコムギより明らかに激しく、発病度は約2倍であった。
(3)褐色雪腐病に関する試験
1)本病は道央の空知、上川および後志支庁管内に広く発生していることを認めた。
2)発生畑は重粘地など透水性不良、または低地であった(第3表)。
3)チホクコムギでの発病はホロシリコムギより明らかに激しかった。
4)発病個体から分離されたPythlum属菌の同定は現在実施中である。
(4)薬剤防除試験
1)雪腐黒色小粒菌核病、雪腐褐色小粒菌核病および紅色雪腐病はチホクコムギにおいても薬剤を適期(根雪直前)に散布することによって防除された(第4、5表)。
2)褐色雪腐病については、供試した薬剤では有効なものはなかった。
10.主要成果の具体的数字
第1表 道央地帯のホロシリコムギとチホクコムギにおける雪腐病の発生(昭60年4月)
第2表 道央地帯のホロシリコムギとチホクコムギにおける雪腐病の発生(昭61年4月)

第3表 道央水田転換畑における小麦褐色雪腐病の発生状況
| 調査ほ場 市町村名 |
褐色雪腐病の発病程度 | ほ場の特徴など | |||
| 昭58.4 | 昭59.4 | 昭60.4 | 昭61.4 | ||
| 伊達市 | ・ | ・ | − | − | |
| 厚真町 | ・ | − | + | − | |
| 早来町 | − | − | − | ・ | |
| 千歳市 | ・ | − | − | − | |
| 恵庭市 | ・ | − | ・ | ・ | |
| 栗山町 | − | − | ・ | ・ | |
| 長沼町 | ・ | − | ++ | ++ | 粘質土・透水不良 |
| 南幌町 | ・ | + | − | ・ | |
| 岩見沢市 | ・ | + | ・ | ++ | |
| 北村 | ・ | − | ・ | ・ | |
| 美唄市 | − | − | + | ・ | |
| 新篠津村 | − | + | ++ | + | |
| 浦臼町 | ・ | ++ | ・ | ・ | |
| 北竜町 | ・ | + | ・ | ・ | |
| 深川市 | − | + | − | ・ | |
| 沼田町 | − | ・ | + | ・ | |
| 滝川市 | ・ | ・ | + | ++ | 透水不良 |
| 芦別市 | ・ | ・ | ・ | − | |
| 赤平市 | ・ | ・ | ・ | ++ | 透水不良 |
| 和寒町 | ・ | + | ・ | ・ | |
| 剣渕町 | ・ | − | ・ | ・ | |
| 当麻町 | ・ | + | ・ | ・ | |
| 士別市 | ・ | ・ | ・ | ++ | 透水不良 |
| 京極町 | ・ | ・ | + | − | |
| 留寿都村 | ・ | ・ | − | ・ | |

図1 ホロシリコムギおよびチホクコムギに
おける雪腐褐色小粒菌核病菌(T.incarnata)の
接種の有無と同菌による病害の発病度(昭61.4.20調査)
各点の値は、チホクコムギとホロシリコムギを「対」に
して植付け、16種類の薬剤を散布したときの雪腐褐色小粒
菌核病の発病度を示す。
・:接種、☆:無接種
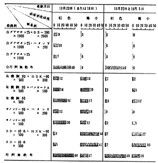
第4表 雪腐黒色・褐色小粒菌核病および紅色雪腐病に対する薬剤の防除効果(昭61年4月調査)

SD-35粉剤:トリクロホスメチル5%とグアザチン3%の混合剤。
SD-40水和剤:トリクロホスメチル25%とグアザチン15%の混合剤。
YF-4411粉剤:グアザンチン1%と塩基性硫酸銅(Cu5%)の混合剤
第5表 雪腐病防除時期拡大のための新展着剤の効果

注、☆:小粒菌核病防除のため、メプロニル75%
水和剤100L/10a散布した。
根雪始:12月6日
11.今後の問題点
褐色雪腐病の防除対策の確立
12.成果の取扱い
1.チホクコムギは、雪腐黒色小粒菌核病、雪腐褐色小粒菌核病、紅色雪腐病および褐色雪腐病の各病害に対し、ホロシリコムギより弱い。
2.上記雪腐病のうち、前3者はチホクコムギにおいても適切な肥培管理と薬剤散布によって防除できる。
3.一方、褐色雪腐病は重粘地や透水性の悪い畑、あるいは晩播などで発生し易いが、現在本病の防除に有効な茎葉散布剤はない。
4.従ってこれらの条件下では、テホクコムギはホロシリコムギより大きな被害を被る可能性が高いので、褐色雪腐病の発生し易い畑へのチホクコムギの作付けは避ける方が望ましい。