【指導参考事項】
成績概要書 (作成 平成9年 4月)
|
研究課題名:きらら397におけるアミロース含有率の変動要因解明と低下技術 予算区分:道費 研究期間:平3−8年度 担当科:中央農試 稲作部栽培第一科 上川農試 研究部水稲栽培科 上川農試 研究部土壌肥料科 協力・分担関係:なし |
1.目的:アミロース含有率の変動要因の解明と、その低下技術を検討し、低アミロース米を生産するための栽培管理技術を明らかにする。
2.方法
中央農試:苗の種類;稚苗、中苗
成苗移植時期;早植え(5月第4半旬)、標準植え(5月第5半旬)、晩植え(5月第6半旬以降)
栽植密度及び施肥量;22〜25株/㎡、窒素8〜12㎏/10a
上川農試:苗の種類;中苗、成苗移植時期;早植え(5月第4半旬)、標準植え(5月第5半旬)、晩植え(5月第6半旬以降)
栽植密度及び施肥量;12.5〜50株/㎡、窒素8〜15㎏/10a
3.緒果の概要
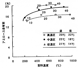
(1)アミロース含有率と登熟温度(出穂後40日間の日平均気温積算値、日平均気温は目最高・最低気温の平均値:以下同様)の関係は、登熟温度の範囲によって異なっていた。800℃以下の範囲におけるアミロース含有率は登熟温度が高いほど急激に低下し、800℃を超えるとその低下の程度は800℃以下の範囲の時よりも緩やかであった(図1)。
(2)アミロース含有率は登熟の初期から中期にかけて増加し、その後ほぼ一定となる推移を示した(図2、表4)。
(3)登熟温度のうち、重回帰分析の結果から、その前半と後半はアミロース含有率に対して各々2:1あるいは3:1の比率で影響を及ぼしていた。
(4)苗の種類による出穂期の変動は2〜4日で、このときの登熟温度の変動は10〜20℃で、アミロース合有率の変動は0.2〜0.7%であった。移植時期による出穂期の変動は1〜2日で、登熟温度でほぼ10℃前後、アミロース含有率は0.4%以内の変動であった(表1,2,3)。
(5)1995年の稲作部では苗の種類と移植時期との交互作用が認められ、中苗の晩植えでは成苗の標準植えに比べ1.3%アミロース含有率は高かった。したがって、アミロース合有率を低位安定化させるには成苗化と適期移植が重要と結諭される。
(6)籾の着生位置別にアミロース含有率をみると、下位枝梗および二次枝梗でアミロース含有率は低かった(図3)。さらに下位校梗および二次枝梗では乳白・腹白歩合が高く、乳白・腹白歩合とアミロース含有率には負の相関関係が認められた(データ省略)。
(7)遮光処理あるいは止葉切除処理、すなわち光合成産物そのものが減少する条件では、無処理に比ベアミロース含有率は低下したにもかかわらず、熱糊化性は劣った(データ省略)。

図1 登熟温度とアミロース含有率の関係

図2 開花後日数とアミロース含有率の関係(1993上川)
注)図注の添え字は開花後日数

図3 成苗における枝梗着生位置とアミロース含有率・
タンパク含有率の関係(1995上川)
表1-1 苗の種類による出穂期の変動(日)
| 地域 | 苗の種類 | 早植 | 標準植 | 晩植 |
| 稲作部 | 成苗-中苗 | -4.0 | -4.5 | |
| 上川 | 成苗-中苗 | -1.5 | -2.3 |
表1-2 移植時期による出穂期の変動(日)
| 地域 | 移植時期 | 中苗 | 成苗 |
| 稲作部 | 晩植-標準 | 2.0 | 1.8 |
| 上川 | 早植-標準 | -1.3 | -0.8 |
表2-1 苗の種類による登熟温度の変動(℃)
| 地域 | 苗の種類 | 早植 | 標準植 | 晩植 |
| 稲作部 | 成苗-中苗 | 24.6 | 25.0 | |
| 上川 | 成苗-中苗 | 6.3 | 17.8 |
表2-2 移植時期による登熟温度の変動(℃)
| 地域 | 移植時期 | 中苗 | 成苗 |
| 稲作部 | 晩植-標準 | -9.5 | -9.3 |
| 上川 | 早植-標準 | 8.8 | 0.3 |
表3-1 苗の種類によるアミロース含有率の変動(%)
| 地域 | 苗の種類 | 早植 | 標準植 | 晩植 |
| 稲作部 | 成苗-中苗 | -0.4 | -0.7 | |
| 上川 | 成苗-中苗 | -0.2 | -0.2 |
表3-2 移植時期によるアミロース含有率の変動(%)
| 地域 | 移植時期 | 中苗 | 成苗 |
| 稲作部 | 晩植-標準 | 0.4 | 0.1 |
| 上川 | 早植-標準 | -0.0 | -0.1 |
表4 人工気象箱におけるアミロース含有率の推移
| 開花後日数 | 高温 | 中温 | 低温 |
| 10 | 13.97 | 14.76 | |
| 20 | 16.24 | 18.26 | 18.73 |
| 30 | 16.35 | 19.20 | 19.79 |
| 40 | 15.75 | 18.57 | 19.79 |
4.成果の活用面と留意事項
(1)「きらら397」の栽培にあたっては、地域における適正栽培を行うこと
(2)登熟温度800℃の確保を目的に適期内早植えとし、移植晩限は成苗では、5月25日頃までとすることが望ましい。
(3)二次枝梗着生籾を少なくするため栽植密度は、機械移植基準とする。
(4)成苗では、移植時の葉数を確保するため、早期播種にこころがける
5.残された問題点とその対応
(1)玄米品質と食味
(2)アミロース・アミロペクチンの分子構造と食味の関係
(3)アミロースの鎖長分布を考慮した測定方法の開発