【研究参考】
成績概要書 (作成 平成9年 1月)
|
課題の分類 研究課題名:圧縮空気によるほうれんそうの下葉調製 予算区分:補助 担当科:中央農試農業機械部機械科 試験期間:平成5年〜7年 協力・分担関係:なし |
1.目的
葉茎菜類の一つであるほうれんそうは、栽培面積が昭和55年の883haから平成6年の1,550haにほぼ倍増している。ほうれんそうはハウスや雨よけ栽培が中心であり、栽培の多くの場面で手作業に頼っており、特に収穫、調製、包装などの作業は多くの人手と手間を必要としている。このようなことから、ほうれんそうの収穫・調製作業を対象に軽労働化をはかることを目的に「ほうれんそうの下葉調製装置」を試作し、性能を検討した。
2.方法
1)供試機:ほうれんそう下葉調製装置(試作機)
2)供試品種:サマーワールド、西洋大葉(平成7年)、トニック、サマーワールド(平成8年)
3)試験時期:平成6年〜平成8年
4)試験場所:中央農業試験場
5)調査項目:①作物条件:草丈、重量、菓幅、葉長、葉柄長、脱葉力、葉柄折れ力
②検出精度および調製精度:検出範囲、脱葉状態、損傷
3.結果の概要
1)ノズルから噴射する圧縮空気でほうれんそうの子葉および下葉を吹き飛ばして取り除く方式の調製装置を試作し、その性能を検討した。、ほうれんそうを数組の光センサで検出し、圧縮空気の噴射時間などをパソコンで制御する。
2)2品種のほうれんそうの子葉ならびに下葉の脱葉力を垂直方向ならびに水平方向について調べた。脱葉力は垂直方向より水平方向がやや大きな値を示した。子葉の脱葉力は100g以下、下葉の脱葉力は500g以下であった。
3)2品種のほうれんそうの葉柄の折れ力は、集長とともに増加する傾向にあった。
4)Tジェットノズルは空気が扇状に拡散し、有効な空気圧の到達距離はノズル正面が大きく、空気圧の分布は山形であった。フローノズルはTジェットノズル、よりも到達距離が遠く、拡散も少なく空気圧の分布は台形状であった。
5)試作機にTジェットノズルを装着した時の除去率は、子葉で51.3〜65.0%、下葉では17.5〜43.7%と低かった。ブローノズルを装着し噴射時間を0.5秒と設定した時、除去率は子葉で64.5〜67.5%、下葉が61.7〜67.9%であった。噴射時間を1秒にした場合、子葉および下葉の除去率はさらに高まった。
6)圧縮空気を使って調製した場合、ミスの原因は、子葉や下葉が枯れている場合、ノズルと対象物との距離が離れすぎて噴射圧力が不足した場合、圧縮空気の作用位置が適切でない場合などであった。

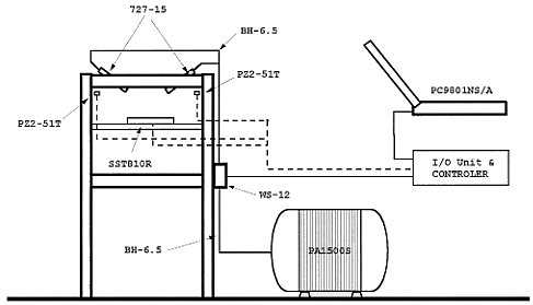
727-15:ブローノズル、BH-6.5:空気ホース、PZ2-51T:透過型光センサー、SST810R:ワイドセンサ、
WS-12:電磁バイブ、PA1500S:コンプレッサ
図1 試作ほうれんそう下葉調製装置の概略図
表1 ほうれんそう調製機の脱葉試験結果
| 実験No. | 品種 | ノズル 種類 |
ノズル 個数 |
吐出 時間 |
ノズル 間隔 |
子葉 除去率 |
下葉 除去率 |
| 1 | トニック | Tジェット | 2 | 0.1sec | 10cm | 51.3 | 35.0 |
| 2 | トニック | Tジェット | 2 | 0.5sec | 10cm | 52.5 | 43.7 |
| 3 | サマーワルド | Tジェット | 2 | 0.5sec | 10cm | 65.0 | 17.5 |
| 4 | トニック | ブロー | 2 | 0.5sec | 7cm | 67.5 | 61.7 |
| 5 | トニック | ブロー | 2 | 0.5sec | 4cm | 64.3 | 67.9 |
| 6 | トニック | ブロー | 2 | 1.0sec | 4cm | 96.9 | 98.4 |
| 7 | トニック | ブロー | 4 | 1.0sec | 5cm | 10.6 | 14.4 |
4.成果の活用面と留意点
1)ほうれんそうの子葉および下葉の脱葉力ならぴに葉柄折れ力は限られた品種ならびに作型の値である。
5.残された間題とその対応
1)調製装置の実用化