成績概要書 (作成 平成12年1月)
|
課題の分類 研究課題名:施設栽培における亜酸化窒素(N2O)の抑制対策 (環境保全型土壌管理対策推進事業 Ⅱ.2)施設栽培における亜酸化窒素の発生抑制技術の開発) 予算区分:国費(補助) 担当科:道南農試 研究部 土壌肥料科 研究期間:平成7〜11年度 協力・分担関係:中央・環境保全科、上川・土壌肥料科 |
1.目的
温室効果およびオゾン層破壊ガスである亜酸化窒素について施設栽培条件下での発生実態およびその変動要因を解析し、生産性を維持した栽培管理法によって発生を抑制する。
2.方法
① 周年利用型ハウスにおける定点モニタリング:1995年5月〜1999年4月に、定期的に亜酸化窒素フラックス、土壌水分飽和度、地温、土壌硝酸態窒素含有率を測定。
② 被覆資材の開口穴面積が採取チャンバ−底面積に占める割合と排出量:透明マルチ使用、(穴の面積/チャンバ−底面積)×100 = 0(完全被覆)、2.5、5、10、20、100(裸地) %
③ 栽培条件下における被覆資材の穴を通した排出量:同上0、7、100%、白マルチ使用。
④ 被覆資材の材質と色が排出量に及ぼす影響:材質比較(裸地と不織布マルチ、有孔白ポリマルチ)、色比較(裸地と白、黒、透明マルチとを、低〜高温期で比較)。
⑤ 施用堆肥の腐熟度と発生量との関係:未熟、完熟堆肥を各4t/10a施用、無施用と比較。
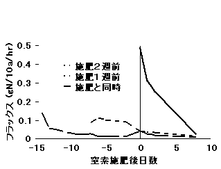
⑥ 堆肥施用と窒素施肥とのタイミングによる発生抑制:堆肥施用時期3水準(窒素施肥の2週間前、1週間前、同時施用)、堆肥無施用と比較。
⑦ 冬期の発生量とその抑制方策:周年被覆型ハウスで、ビニ−ル被覆を排除した場合と周年被覆した場合とを比較した。(管理来歴が同程度のハウスを抽出し、1〜2月に調査)
3.結果の概要
① 定点観測におけるフラックス(N2O放出量)は、土壌水分飽和度と地温が高い観測日に大きくなる傾向が認められた(図1)。冬期間(12月〜1月)のフラックスは、ビニ−ル周年被覆時には認められたが、積雪下では認められなかった。
② 被覆資材の開口面積が2.5%以上では、マルチによるフラックス抑制は困難であった。従って、トマト栽培条件(開口面積7%、白マルチ)では、フラックスは抑制されなかった。
また、通気性マルチ資材(不織布マルチおよび有孔マルチ)は、フラックスを抑制しなかった。
③ 高温期にマルチを使用する際、透明マルチはフラックスを増加させたが、地温を抑制する白マルチではフラックスは増加しなかった(図2)。一方、低温期には、マルチ資材の色による差はみられなかった。施設栽培においてマルチを使用することは、土壌水分の保持および雑草抑制のための基本技術であり、作型に合わせた合理的なマルチ色の選定がフラックスを抑制する上で重要と判断された。
④ 堆肥施用時のフラックスは堆肥の腐熟度によって違い、完熟堆肥では、未熟堆肥施用時よりも顕著に少なかった(図3)。
⑤ 堆肥と窒素肥料の同時施用はフラックスを増加させたが、施肥の1週間以上前に堆肥を施用すると、フラックスは抑制された(図4)。
⑥ 冬期間にビニ−ル被覆を排除したハウスでは、残存硝酸態窒素レベルに関わらず、フラックスが抑制され、定点観測の結果を裏付けた。ただし、硝酸態窒素が集積したハウスでは、冬期にビニ−ル被覆を排除すると土壌硝酸態窒素の溶脱を招くため、施設栽培においては、土壌中に硝酸態窒素を集積させない肥培管理に努める必要がある。
⑦ 表2に示したフラックスの抑制指針は、既存の栽培管理法および土壌管理法とは相反せず、従って、いずれも作物生産性を低下させずに行うことが可能である。
表1.各試験における亜酸化窒素フラックス減少率
| 試験項目 | 処理 | (対照) | フラックス減少率(%) |
| 被覆資材 | トマト栽培条件(開口面積7%) | (裸地) | ▲ 8 〜 ▲80 |
| 不織布・有孔マルチ | (裸地) | ▽48 〜 ▲ 5 | |
| 高温期の白マルチ使用 | (透明マルチ) | ▽93 〜 ▽85 | |
| 低温期の透明マルチ使用 | (白マルチ) | ▽16 〜 ▲20 | |
| 堆肥 | 完熟堆肥施用 | (未熟堆肥) | ▽90 〜 ▽74 |
| 窒素施肥の2週間前に堆肥施用 | (同時施用) | ▽83 〜 ▽74 | |
| 窒素施肥の1週間前に堆肥施用 | (同時施用) | ▽85 〜 ▽73 | |
| 天井被覆 | 冬期ビニ−ル被覆を排除 | (周年被覆) | ▽99 〜 ▽88 |
表2.施設栽培における亜酸化窒素排出量の抑制指針
| 項目 | 対策 | 備考 |
| 被覆資材 | 高温期(夏期)には白マルチを使用する | 低温期は透明マルチ可 |
| 堆肥施用 | 完熟堆肥を、窒素施肥の1週間以上前に施用 | |
| 天井被覆 | 冬期に栽培しないハウスは、ビニ−ルを排除する | 残存土壌硝酸態窒素を集積 させない肥培管理に努める |



図1.定点観測の全観測日におけるフラックスと
地温(左)、土壌水分(中)、土壌硝酸態窒素含有率(右)との関係

図2.被覆資材の色

図3.堆肥の腐熟度

図4.堆肥施用時期
4.成果の活用面と留意点
低温時期の白マルチ使用は、地温上昇を妨げるので行わないこと。
5.残された問題とその対応
① 堆肥の腐熟過程における亜酸化窒素発生量の把握
② 亜酸化窒素吸収源としての土壌評価