【普及奨励事項】
| 水稲の熟苗に関する試験成績について 普通播熟苗に関する試験について 北海道立農業試験場空知支場の普通播熟苗に関する試験成績 北海道立農業試験場空知支場 |
普通播熟苗に関する試験について
ここでいう熟苗とは普通の播種期に普通播種量(浸漬籾坪6号)以下で苗代日数は50日以内で全葉数の4割程度以上の葉数で分けつし、苗代分けつ数は2本程度もち、老化していない苗をいう、なるべく本葉5葉以上であることがよい。
労力関係で移植がやむなく晩くなった時利用するもので、移植できるものは順次移植する。したがって前述の熟苗は移植の限界を意味するもので、苗代日数40日~45日になるときは普通苗(30日苗)の播種量の1/2分程度とし、且肥切れせぬよう追肥を行う要がある。
ア 北海道立農業試験場空知支場の普通播熟苗に関する試験
北海道立農業試験場空知支場
Ⅰ 試験目的
本道における畑苗の移植適期は、苗令3.0~3.5程度でこれに必要な育苗日数は30前後と見られている。そのため多くの地帯では移植時期が短期間に集中し、労力不足をきたしている現状にあり、一方、水田作付面積の多い地帯や、新規造田地帯ではやむなく晩植をしなければならない状態にある。したがって当場では移植時期の分散による労力の緩和を計ると共に晩植えによる生産力の低下を防ぐための試験を実施した結果、大凡の成績を得たので報告する。
Ⅱ 試験方法
1. 昭和34年度 移植時期試験播種並びに移植期の区別
| 試験区別 | Ⅰ | Ⅱ | Ⅲ | Ⅳ | Ⅴ |
| 播種期 | 4月20日 | 4月27日 | 5月4日 | 5月11日 | 5月18日 |
| 移植期 | 5月20日 | 5月27日 | 6月3日 | 6月10日 | 6月17日 |
| 試験区別 | Ⅰ | Ⅱ | Ⅲ | Ⅳ | Ⅴ |
| 播種期 | 4月20日 |
4月20日 4月25日 |
4月20日 4月30日 |
4月20日 5月5日 |
4月20日 5月10日 |
| 移植期 | 5月20日 | 5月25日 | 5月30日 | 6月4日 | 6月9日 |
| 育苗日数 | 30日 |
35日 30日 |
40日 30日 |
45日 30日 |
50日 30日 |
| 試験区別 | Ⅰ | Ⅱ | Ⅲ | Ⅳ |
| 播種期 | 4月20日 |
4月20日 4月27日 |
4月20日 5月4日 |
4月20日 5月11日 |
| 移植期 | 5月20日 | 5月27日 | 6月3日 | 6月10日 |
| 育苗日数 | 30日 |
37日 30日 |
44日 30日 |
51日 30日 |
Ⅲ 試験経過の概要
1. 昭和34年度
育苗期間は比較的天候が良く、ほぼ希望通りの苗を得ることができた。活着はおおむね良かったがその後の天候不良により、初期生育はやや不良であった。
しかし7月中旬以降の天候回復で、以後順調に生育した。
2. 昭和35年度
全育苗期間を通じ、日照り少なく、低温で苗の生育は不良であった。
移植時も気温低く特に5月30日~6月2日が極端に低くそれ以前に移植したものは、活着、初期生育共にはなはだ悪かった。
7月上旬までは天候の不順が続き初期生育も良くなかったが、7月以降の高温により生育は回復し、その後は順調であった。一部に褐色菌核病が発生したが、他には特記すべき障害はなかった。
3. 昭和36年度
前2ヶ年とは異なり、育苗期間から好天候に恵まれ苗の生育、活着、初期生育共に良く、また高温多照により栄養生長から生殖生長への移行も早く、各移植期、育苗日数のちがいによる出穂の差も少なかった。
その反面出穂間近になって一部に肥料切れの様相を呈したものもあった。
集中豪雨による冠水も台風も、ほとんど障害にならず、病虫害も試験に影響はなかった。
Ⅳ 試験成績並びに考察
1. 育苗日数30日苗の移植時期別生育収量について
育苗日数30日苗の移植時期の移動に伴う生育収量について見ると、
(1) 生育期節
第1図について見ると晩播晩植になるにしたがい出穂期、成熟期共に遅れるが生育日数は短縮される。
このことは晩播晩植ほど生育初期に高温を受ける結果、すなわち感温性によるものであろう。
第1図 播種期別生育期節 (昭35)

(2) 葉数
生育日数の短縮に伴う葉数の推移は、昭和35年5月25日、5月30日植に異なった点が見られるが、傾向としては生育日数の短縮に伴って葉数が減少し晩播晩植により栄養生長が減少する。
(3) 穂数
上記の事項が穂数にいかなる結果を与えたかについてみると、葉数との関係は判然とせず早播早植は必ずしも穂数の増加をきたしていない。
穂数の増加はなにするか明らかではないが、昭和34年度では初期生育(分けつ量)の良否が穂数に関与していると思われるが、その他の年次においては幼穂形成前後の茎数(分けつ最盛期の 増加量)が関与している。
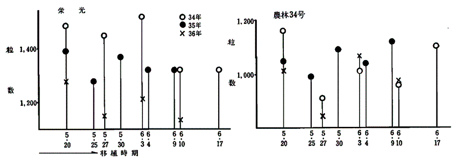
(4) 粒数
1株当たり総粒数は生育日数の長短に関係なく、傾向として茎数に関係が深いと共に移植時期に見ると、第2図のように概して5月20日植、5月30日~6月4日植が多く、各年次共5月25日前後の移植が少ない。
第2図 普通苗の播種時期別株当たり総粒数

(5) 収量
第3図に示すように、昭和34年度は晩植による減少率が明らかであり、35年、36年はその傾向は見られず、概して5月20日移植が収量性高く、次いで5月30日~6月4日移植が多収を示し、6月9日の晩植と5月25日植が少収である。このように標準育苗日数苗による移植適期は年によって異なる。
第3図 普通苗の移植時期別収量

2. 熟苗の素質について
苗代分けつについて見ると、第4図に示すように昭和36年の栄光は育苗期間中の高温により、出葉日数が短縮され、播種後30日で0.5~1.0葉多い。 したがって苗代分けつも早く播種後30日ですでに本葉第1葉節よりの分けつが見られ、44日で2本の分けつ茎を有し、51日苗では苗代においての挫折が見られた。
35年度の栄光では播種後353日ころより苗代分けつが見られ、40日で1.0本の分けつ茎を有し、以降は密植の影響により増加が見られない。
農林34号は播種後50日で苗代分けつが最高に達する。このことは栄光と農林34号の初期分けつの違いと粒大の違いによる播種密度によるものと考えられる。なお比較対照である昭和36年の6月4日、6月11日植の普通苗は育苗期間中高温により出葉度が早く、30日で4葉揃となり、苗代分けつを有する熟苗の様相を呈した。その他の風乾重並びに葉数、草丈は苗代日数に応じた大きさを示している。本田における発根を見ると、普通苗に比べて勝りしたがって活着が良好である(第5図)。
第4図 各移植期別茎数

第5図 発根数調査(36年)

3. 熟苗について
4月20日に播種した苗を、昭和35年度には5月20日(30日、以後標準苗と呼ぶ)5月25日(35日苗) 5月30日(40日苗) 6月4日(45日苗) 6月9日(50日苗)、昭和36年度 5月20日(30日標準苗) 5月27日(37日苗) 6月3日(44日苗) 6月10日(51日苗)に名々移植し、これら育苗日数の多い苗(以後一応熟苗と呼ぶ)と標準苗を比較し、また熟苗と同じ日に移植した普通育苗日数苗(30日苗)と比較検討すると、
(1) 生育期節、幼穂形成期、出穂期、成熟期に標準苗、熟苗、熟苗の育苗日数間に大差は見られず、育苗日数の増加による不時出穂は全く見られなかった。従って生育日数は育苗日数のちがいによる差が殆どなかった。このことは普通播(ここでは4月20日)であれば苗代日数50日以内では苗代に於ける苗の生育変調は無いものと考えてよかろう。
また稲の生育日数は移植時期の早晩よりも播種時期に関係するものと思われる。また播種晩植苗よりも普通播熟苗が生育日数が長くて熟期が早いところから、晩植に際し熟期的に安定した育苗法と考えられる。
第6図 育苗日数別生育期節

(2) 葉数
第7図に示すように育苗日数の延長に伴う葉数の増減は、育苗日数45日までは顕著な差が見られず、育苗日数50日になると減少の傾向が見られる。
しかしその傾向は一定でなく標準苗に近い葉数を有する熟苗もある(44日~45日苗)。このことは苗代日数45日までは苗代期間30日以後の苗代における出葉間隔と、30日以後の本田における出葉間隔と、30日以後の本田における出葉間隔に大差がないためと思われる。同じ日に移植された普通苗(30日苗)との比較を見ると、昭和35年度の農林34号以外はいずれも熟苗が多い。
第7図 熟苗の移植時期別主稈総出葉数

(3) 穂数
穂数は苗代分けつに依存する面が多く、昭和35年度、栄光以外は最も優勢な苗代分けつを有する育苗日数45日前後の熟苗が多い。その他の熟苗と標準苗との差は、年次品種によりかなりの差違があって判然としないが大差がない。
同じ日に移植した普通苗(30日苗)と比較すると35年度は各々熟苗が優れ36年度は栄光では6月10日、農林34号では6月3日植以降で熟苗(栄光51日苗、農林34号44日、51日苗)が劣っている。
このことについて検討してみると、昭和36年の各熟苗は標準苗に比べて穂数の減少が見られず普通苗は移植期の遅いものほど移植当時の葉数が多く、すでに苗代分けつが見られて熟苗の様相を呈しているために、穂数の増加がみられるところから前記の結果となったもので、従来いわれている育苗日数の延長に伴う苗の素質の低下とはいえない。
(4) 粒数 稔実歩合
株当り総粒数についてみると昭和35年度は両品種共育苗日数による差は判然とせず概して穂数の多い育苗日数45日前後の熟苗が多く、35日熟苗が少ない傾向である。36年度も同様で44日>標準>37日>51日 の順序である。これを同日移植の普通苗と比較すると、6月10日植農林34号と、昭和35年度5月25日、5月30日植の熟苗が劣る他はいずれも熟苗が多い。
稔実歩合は昭和36年度の熟苗が劣る他は判然としない。普通苗対比では熟苗がやや劣る傾向にある。
第8図 熟苗の移植時期別株当り総粒数

(5) 収量性 昭和35年度栄光では標準苗に比べて45日苗が8%、50日苗が5%増収している他は大差なくこれを同じに日に移植した普通苗と比較すると5月30日移植の熟苗(40日苗)が2%減少している他は6月4日移植の熟苗(45日苗)が16%、6月9日移植熟苗(50日苗)が9%、5月25日植熟苗(35日苗)が4%ほど増収している。
農林34号では標準苗に比べ35日苗、50日苗が4%ほど増収し40日苗、45日苗が5%減収している。これを同じ日に移植した普通苗と比較すると5月25日植の熟苗(35日苗)と6月9日植の熟苗(50日苗)が各4%6%の増収を示し、5月30日植の熟苗(40日苗)6月4日植の熟苗(45日苗)が各々2%、6%減収している。
昭和36年度では農林34号は標準苗に比べ44日苗が11%増収している他は、6%減収であり、これを普通苗と比較すると6月10日植熟苗(51日苗)で7%の減収の他は僅かに増収している。
栄光では標準苗に比べ37日苗で10%、45日苗で5%、51日苗で9%の減収が見られる。これを同じ移植期の普通苗と比較するといずれも僅かながら熟苗が勝っている。
以上のことから昭和36年度では熟苗は標準苗(普通播30日苗)に比べ収量性は大差なく、また同じ移植日の普通苗(30日苗)に比べ安定した増収率を示している。 昭和36年度のように育苗期間中ならびに移植当時の天候が収支良好な年では早植された標準苗にやや劣るが晩植普通苗に比べて増収性がある。
第9図 熟苗の移植時期別収量
Ⅴ 総合考察
(1) 育苗日数30日の普通苗の移植期変動による収量性は苗の本田における活着状態すなわち移植当時の天候による初期生育の良否に支配される面が大きい。従って収量より見た適期の判断は年による差が大きい。
しかし移植当時の環境を除いて考えると、播種晩植になるに従い、生育日数が短縮されることによる葉数穂数、粒数の減少が考えられ、概して早植が良い。
(2) 普通播熟苗は、晩植による生育日数の短縮や、葉数の減少が見られず苗代における生育量に比例して本田活着は良好となり、苗代分けつが本田における分けつ性を高め、穂数確保に有利に働き、粒数の増加をもたらす。
また苗の素質が丈夫であるため移植当時の不良環境に耐え、普通苗に比べて安定した収量を示す。
Ⅵ 結論
以上の結果、育苗日数30日苗、苗3.0令程度の普通苗の移植適期は年により異なり、移植当時の環境条件に支配されて収量性の変動が大きく、安定した移植適期を見出すことが困難であると共に適期の巾が極めて狭い。
これに対し普通播熟苗は育苗期間の長短を問わず安定した収量を示し普通苗に比べて増収性が高い。従って当地帯のように育苗期間から本田初期にかけての不順な天候状態と、移植労力が不足している所では、熟苗により活着を向上させることと、これにより移植適期の巾を広くすることが出来て、適策な育苗法である。
普通播熟苗とは
1. 播種期は普通慣行時期であって播種量は標準種量(浸漬籾坪6号)以下であること。
2. 苗代日数は50日以内で単に育苗日数にこだわらず葉数5葉以内で苗代分けつを有すること。
3. 育苗に際し徒長苗にならないよう留意すること。
4. 苗代追肥を行い、播種後30日、40日に㎡当たり窒素ならびに燐酸の追肥を行うこと。
第1表 移植期別30日苗の生育および収量調査
| 年度 | 品種名 | 移植期 | 出穂期 (月日) |
成熟期 (月日) |
生育 日数 (日) |
稈長 (cm) |
穂長 (本) |
穂数 (本) |
最終 葉数 (枚) |
総粒数 (粒) |
不稔 歩合 (%) |
稈重 (kg) |
玄米重 (kg) |
千粒重 (g) |
収量 割合 (%) |
| 昭和 34年度 |
農林 34号 |
5月20日 | 8.4 | 9.20 | 153 | 16.3 | 17.8 | 10.5 | 1164 | 16.0 | 20.4 | 25.6 | 25.7 | 100 | |
| 5月27日 | 8.8 | 9.24 | 150 | 15.5 | 18.9 | 10.3 | 908 | 16.8 | 19.9 | 23.7 | 25.8 | 93 | |||
| 6月3日 | 8.10 | 9.24 | 143 | 14.9 | 19.7 | 9.4 | 1011 | 19.1 | 17.6 | 23.7 | 25.8 | 93 | |||
| 6月10日 | 8.11 | 9.24 | 136 | 15.1 | 19.3 | 9.0 | 957 | 13.2 | 19.8 | 23.4 | 25.6 | 91 | |||
| 6月17日 | 8.15 | 9.26 | 131 | 15.7 | 18.1 | 9.6 | 1097 | 11.2 | 19.2 | 24.4 | 25.5 | 95 | |||
| 栄光 | 5月20日 | 8.12 | 9.24 | 157 | 16.8 | 20.2 | 12.2 | 1493 | 12.3 | 20.8 | 31.2 | 23.7 | 100 | ||
| 5月27日 | 8.14 | 9.27 | 153 | 16.4 | 18.9 | 12.9 | 1453 | 17.7 | 18.1 | 28.0 | 24.7 | 90 | |||
| 6月3日 | 8.15 | 9.28 | 147 | 16.7 | 20.4 | 10.9 | 1517 | 14.0 | 17.7 | 27.7 | 24.7 | 89 | |||
| 6月10日 | 8.16 | 9.29 | 141 | 16.2 | 19.9 | 11.0 | 1319 | 10.4 | 18.1 | 27.1 | 24.1 | 87 | |||
| 6月17日 | 8.18 | 9.30 | 135 | 16.8 | 19.1 | 10.3 | 1320 | 6.9 | 18.4 | 25.7 | 24.6 | 82 | |||
| 昭和 35年度 |
農林 34号 |
5月20日 | 8.4 | 9.19 | 152 | 68.3 | 15.9 | 17.9 | 10.7 | 1049 | 3.8 | 31.7 | 43.2 | 25.3 | 100 |
| 5月25日 | 8.4 | 9.20 | 148 | 66.0 | 15.3 | 18.8 | 10.3 | 994 | 5.2 | 28.4 | 42.3 | 25.3 | 99 | ||
| 5月30日 | 8.6 | 9.21 | 144 | 70.2 | 16.5 | 17.3 | 10.6 | 1087 | 3.9 | 29.5 | 42.2 | 25.1 | 98 | ||
| 6月4日 | 8.7 | 9.22 | 140 | 73.8 | 16.1 | 17.7 | 10.4 | 1038 | 5.0 | 31.1 | 43.9 | 25.0 | 102 | ||
| 6月9日 | 8.7 | 9.22 | 135 | 72.9 | 16.1 | 17.7 | 10.3 | 1122 | 5.8 | 30.1 | 41.8 | 24.7 | 97 | ||
| 栄光 | 5月20日 | 8.7 | 9.24 | 157 | 74.5 | 16.8 | 20.4 | 11.9 | 1393 | 8.3 | 32.2 | 46.9 | 23.2 | 100 | |
| 5月25日 | 8.8 | 9.25 | 153 | 72.1 | 16.7 | 17.7 | 11.7 | 1277 | 5.5 | 31.5 | 45.1 | 23.3 | 96 | ||
| 5月30日 | 8.9 | 9.25 | 148 | 73.4 | 17.2 | 18.7 | 11.9 | 1373 | 7.0 | 32.1 | 47.6 | 23.3 | 101 | ||
| 6月4日 | 8.10 | 9.26 | 144 | 73.7 | 17.7 | 18.3 | 11.5 | 1316 | 6.6 | 32.1 | 43.6 | 23.2 | 93 | ||
| 6月9日 | 8.10 | 9.26 | 139 | 72.0 | 17.4 | 18.7 | 10.9 | 1319 | 10.1 | 33.6 | 45.6 | 23.2 | 97 | ||
| 昭和 36年度 |
農林 34号 |
5月20日 | 7.30 | 9.12 | 145 | 67.2 | 16.3 | 16.9 | 108 | 1012 | 7.1 | 34.2 | 41.8 | 100 | |
| 5月27日 | 7.29 | 9.13 | 139 | 63.3 | 15.4 | 16.5 | 9.9 | 848 | 6.3 | 30.6 | 39.0 | 93 | |||
| 6月3日 | 7.31 | 9.15 | 134 | 68.3 | 15.9 | 19.9 | 10.0 | 1073 | 5.1 | 31.8 | 45.3 | 108 | |||
| 6月10日 | 8.1 | 9.16 | 128 | 67.8 | 15.3 | 19.0 | 9.7 | 973 | 6.3 | 30.7 | 42.5 | 102 | |||
| 栄光 | 5月20日 | 8.1 | 9.16 | 149 | 69.6 | 17.2 | 17.7 | 12.0 | 1273 | 5.9 | 31.9 | 51.0 | 100 | ||
| 5月27日 | 8.1 | 9.16 | 142 | 66.9 | 16.6 | 17.1 | 11.1 | 1144 | 6.3 | 32.4 | 44.2 | 87 | |||
| 6月3日 | 8.2 | 9.17 | 136 | 68.8 | 16.6 | 18.5 | 11.0 | 1211 | 5.2 | 31.5 | 46.8 | 92 | |||
| 6月10日 | 8.4 | 9.16 | 131 | 66.5 | 16.4 | 19.4 | 10.9 | 1133 | 5.2 | 31.4 | 45.6 | 89 |
第2表 各移植期における苗の生育状況
| 項目 | 品種名 | 移植期 | 昭和35年度 | 昭和36年度 | |||||||
| 苗区別 | 5月20日 | 5月25日 | 5月30日 | 6月4日 | 6月9日 | 5月20日 | 5月27日 | 6月3日 | 6月10日 | ||
| 茎数 | 農林 34号 |
熟苗 | 1.0 | 1.3 | 1.7 | 2.0 | 1.0 | 1.2 | 2.0 | ||
| 30日苗 | 1.0 | 1.0 | 1.0 | 1.0 | 1.2 | 1.0 | 1.0 | 1.0 | 1.9 | ||
| 栄光 | 熟苗 | 1.2 | 2.0 | 2.0 | 2.0 | 1.9 | 2.9 | 2.7 | |||
| 30日苗 | 1.0 | 1.0 | 1.0 | 1.0 | 1.0 | 1.8 | 1.0 | 2.0 | 1.9 | ||
| 葉数 | 農林 34号 |
熟苗 | 3.1 | 3.4 | 3.7 | 4.1 | 3.1 | 3.9 | 4.5 | ||
| 30日苗 | 2.4 | 2.8 | 2.6 | 2.4 | 3.0 | 3.0 | 2.5 | 3.2 | 3.9 | ||
| 栄光 | 熟苗 | 3.3 | 3.7 | 3.8 | 4.3 | 3.8 | 4.8 | 5.1 | |||
| 30日苗 | 2.4 | 2.9 | 2.8 | 2.6 | 3.1 | 3.6 | 2.5 | 3.7 | 3.9 | ||
| 生草重 | 農林 34号 |
熟苗 | 11.9 | 20.0 | 22.3 | 28.9 | 16.9 | 24.3 | 39.4 | ||
| 30日苗 | 7.8 | 10.6 | 9.5 | 12.4 | 14.5 | 13.3 | 11.2 | 20.9 | 26.9 | ||
| 栄光 | 熟苗 | 13.9 | 18.6 | 20.6 | 26.7 | 16.6 | 33.9 | 52.9 | |||
| 30日苗 | 7.0 | 11.0 | 9.6 | 8.6 | 11.1 | 17.5 | 10.0 | 10.0 | 21.1 | ||
| 風乾重 | 農林 34号 |
熟苗 | 4.2 | 5.5 | 7.4 | ||||||
| 30日苗 | 3.4 | 3.1 | 3.6 | 5.5 | |||||||
| 栄光 | 熟苗 | 4.9 | 7.0 | 7.9 | |||||||
| 30日苗 | 4.1 | 2.6 | 4.5 | 3.3 | |||||||
第3表 熟苗と標準普通苗の生育ならびに収量表
| 項目 | 品種名 | 移植期 | 昭和35年度 | 昭和36年度 | |||||||
| 苗区別 | 標準苗 5月20日 |
5月25日 | 5月30日 | 6月4日 | 6月10日 | 標準苗 5月20日 |
5月27日 | 6月4日 | 6月10日 | ||
| 葉数 | 農林 34号 |
熟苗 | 10.7 | 10.5 | 10.1 | 10.1 | 10.1 | 10.8 | 10.3 | 10.7 | 9.9 |
| 30日苗 | 10.3 | 10.6 | 10.4 | 10.3 | 9.9 | 10.0 | 9.7 | ||||
| 栄光 | 熟苗 | 11.9 | 11.7 | 11.7 | 12.0 | 11.6 | 12.0 | 11.6 | 11.9 | 11.1 | |
| 30日苗 | 11.7 | 11.9 | 11.5 | 10.9 | 11.1 | 11.0 | 10.9 | ||||
| 生育 日数 |
農林 34号 |
熟苗 | 15.2 | 15.2 | 15.2 | 15.2 | 15.3 | 14.5 | 14.5 | 14.6 | 14.7 |
| 30日苗 | 14.8 | 14.4 | 14.0 | 13.5 | 13.9 | 13.4 | 12.8 | ||||
| 栄光 | 熟苗 | 15.7 | 157 | 15.7 | 15.7 | 15.8 | 14.9 | 14.9 | 14.9 | 14.9 | |
| 30日苗 | 15.3 | 14.8 | 14.4 | 13.9 | 12.2 | 13.6 | 13.1 | ||||
| 出穂期 | 農林 34号 |
熟苗 | 8.3 | 8.3 | 8.4 | 8.5 | 7.28 | 7.29 | 7.31 | ||
| 30日苗 | 8.4 | 8.4 | 8.6 | 8.7 | 8.7 | 7.30 | 7.29 | 7.31 | 8.1 | ||
| 栄光 | 熟苗 | 8.8 | 8.8 | 8.8 | 8.8 | 7.31 | 8.1 | 8.2 | |||
| 30日苗 | 8.7 | 8.8 | 8.9 | 8.10 | 8.10 | 8.1 | 8.1 | 8.2 | 8.4 | ||
| 稈長 | 農林 34号 |
熟苗 | 68.3 | 64.6 | 68.4 | 69.6 | 67.1 | 67.2 | 64.5 | 67.8 | 63.8 |
| 30日苗 | 66.0 | 70.2 | 73.8 | 72.9 | 63.3 | 68.3 | 67.8 | ||||
| 栄光 | 熟苗 | 74.5 | 69.7 | 73.3 | 74.8 | 71.1 | 69.6 | 67.1 | 68.2 | 97.9 | |
| 30日苗 | 72.1 | 73.4 | 73.7 | 72. | 66.9 | 68.8 | 66.5 | ||||
| 穂数 | 農林 34号 |
熟苗 | 17.9 | 19.0 | 18.2 | 16.8 | 18.9 | 16.9 | 17.1 | 19.8 | 18.4 |
| 30日苗 | 18.8 | 17.6 | 17.7 | 17.7 | 6.5 | 19.9 | 19.0 | ||||
| 栄光 | 熟苗 | 20.4 | 18.1 | 18.5 | 20.2 | 19.2 | 17.7 | 18.1 | 19.9 | 17.3 | |
| 30日苗 | 17.7 | 18.7 | 18.3 | 18.7 | 17.1 | 18.5 | 19.4 | ||||
| 総粒数 | 農林 34号 |
熟苗 | 1049 | 1140 | 1112 | 1048 | 1094 | 1012 | 902 | 1115 | 826 |
| 30日苗 | 994 | 1087 | 1038 | 1122 | 848 | 1073 | 973 | ||||
| 栄光 | 熟苗 | 1393 | 1216 | 1296 | 1462 | 1394 | 1273 | 1152 | 1346 | 1189 | |
| 30日苗 | 1277 | 1373 | 1316 | 1319 | 1144 | 1211 | 1133 | ||||
| 不稔 歩合 |
農林 34号 |
熟苗 | 383 | 5.79 | 4.77 | 5.41 | 5.49 | 7.1 | 6.5 | 7.8 | 11.9 |
| 30日苗 | 5.17 | 3.87 | 5.03 | 5.81 | 6.3 | 5.1 | 6.3 | ||||
| 栄光 | 熟苗 | 8.34 | 8.26 | 9.40 | 7.33 | 7.77 | 5.9 | 4.2 | 7.0 | 8.8 | |
| 30日苗 | 5.48 | 7.00 | 6.62 | 1010 | 6.3 | 5.2 | 5.2 | ||||
| 稈重 (a当り) |
農林 34号 |
熟苗 | 31.7 | 27.4 | 28.6 | 29.9 | 32.3 | 34.2 | 30.5 | 32.5 | 30.9 |
| 30日苗 | 28.4 | 29.5 | 31.1 | 30.1 | 30.6 | 31.8 | 30.7 | ||||
| 栄光 | 熟苗 | 32.2 | 31.1 | 28.5 | 32.8 | 33.2 | 31.9 | 30.8 | 30.1 | 32.0 | |
| 30日苗 | 31.5 | 32.1 | 32.1 | 33.6 | 32.4 | 31.5 | 31.4 | ||||
| 玄米重 (a当り) |
農林 34号 |
熟苗 | 43.2 | 44.2 | 41.3 | 41.5 | 44.4 | 41.8 | 39.4 | 46.5 | 39.8 |
| 30日苗 | 42.3 | 42.2 | 43.8 | 41.8 | 39.0 | 45.3 | 42.5 | ||||
| 栄光 | 熟苗 | 46.9 | 46.8 | 46.9 | 50.5 | 49.3 | 51.0 | 45.8 | 47.9 | 46.5 | |
| 30日苗 | 45.1 | 47.6 | 43.6 | 45.6 | 44.2 | 46.8 | 45.6 | ||||
| 玄米 比率 |
農林 34号 |
熟苗 | 100 | 102 | 96 | 96 | 103 | 100 | 94 | 111 | 95 |
| 30日苗 | 98 | 98 | 102 | 97 | 93 | 108 | 102 | ||||
| 栄光 | 熟苗 | 100 | 100 | 100 | 108 | 105 | 100 | 90 | 94 | 91 | |
| 30日苗 | 96 | 101 | 93 | 97 | 81 | 92 | 89 | ||||
| 千粒 重量 |
農林 34号 |
熟苗 | 25.3 | 25.3 | 25.0 | 25. | 24.7 | ||||
| 30日苗 | 25.3 | 25.1 | 25.0 | 24.7 | |||||||
| 栄光 | 熟苗 | 23.2 | 23.2 | 22.9 | 23.1 | 23.2 | |||||
| 30日苗 | 23.3 | 23.3 | 23.2 | 23.2 | |||||||
昭和35年度移植時期別茎数推移(農林34号)

昭和35年度移植時期別茎数推移(栄光)
第4表 育苗ならびに移植当時の平均気温
| 半旬 | 昭和34年 | 昭和35年 | 昭和36年 | ||||
| 本年 | 平年差 | 本年 | 平年差 | 本年 | 平年差 | ||
| 4月 | 5 | 11.2 | +3.8 | 6.3 | -1.6 | 7.5 | -0.2 |
| 6 | 11.9 | +4.1 | 7.8 | -0.5 | 12.7 | +4.5 | |
| 5月 | 1 | 10.7 | +0.8 | 10.6 | +0.7 | 12.0 | +2.6 |
| 2 | 9.8 | -0.7 | 8.2 | -2.1 | 11.2 | +1.1 | |
| 3 | 11.1 | -0.4 | 8.2 | -2.9 | 10.9 | +0.4 | |
| 4 | 13.5 | -1.8 | 10.0 | -1.6 | 11.4 | -0.1 | |
| 5 | 15.4 | +2.4 | 12.1 | -0.9 | 12.1 | -1.1 | |
| 6 | 14.3 | -0.1 | 13.2 | -1.2 | 14.7 | +0.6 | |
| 6月 | 1 | 12.6 | -2.1 | 12.5 | -2.1 | 16.2 | +2.0 |
| 2 | 15.4 | +0.7 | 13.9 | -1.0 | 16.6 | +2.0 | |
| 3 | 15.6 | +0.4 | 12.7 | -2.4 | 13.9 | -0.5 | |
第5表 普通播熟苗の播種量および追肥量別収量と生育調査
| 比較 | Ⅰ | Ⅱ | Ⅲ | Ⅳ | Ⅴ | Ⅵ | ||
| 育苗日数 | 30 | 51 | 51 | 51 | 51 | 51 | 51 | |
| 苗代播種量 | 170g/㎡ | 170 | 170 | 170 | 110 | 110 | 110 | |
| 苗代追肥量 | -g/㎡ | - | 6 | 12 | - | 6 | 12 | |
| 移植時 苗調査 |
茎数 | 1.3 | 2.0 | 2.0 | 2.0 | 2.8 | 2.6 | 2.9 |
| 葉数 | 3.5 | 4.8 | 4.8 | 4.9 | 5.2 | 5.0 | 5.0 | |
| 風乾重 | 3.3 | 5.3 | 6.6 | 6.7 | 6.7 | 6.6 | 7.7 | |
| 幼穂形成期 | 7月9日 | 7.6 | 7.5 | 7.5 | 7.6 | 7.5 | 7.6 | |
| 出穂期 | 8月4日 | 8.3 | 8.2 | 8.2 | 8.3 | 8.3 | 8.3 | |
| 成熟期 | 9月19日 | 9.16 | 9.16 | 9.16 | 9.16 | 9.17 | 9.17 | |
| 生育日数 | 131 | 149 | 149 | 149 | 149 | 150 | 150 | |
| 最終葉数 | 11.0 | 11.3 | 11.5 | 11.3 | 11.3 | 11.7 | 11.5 | |
| 穂長 | 17.4 | 16.9 | 16.6 | 17.21 | 16.8 | 17.4 | 16.5 | |
| 穂数 | 18.9 | 18.8 | 18.5 | 19.7 | 18.6 | 18.51 | 9.7 | |
| 一株総粒数 | 1217 | 1209 | 12631 | 345 | 1313 | 1276 | 1559 | |
| 不稔歩合 | 8.2 | 7.9 | 4.6 | 6.1 | 5.7 | 3.8 | 7.6 | |
| 稈重 | 31.3kg/a | 32.0 | 32.1 | 31.5 | 30.9 | 32.6 | 31.9 | |
| 玄米重 | 46.9kg/a | 45.6 | 46.7 | 46.8 | 48.3 | 46.9 | 47.3 | |