【指導奨励すべき事項】
| チモシー品種クライマツクス(Climax)について 北海道農業試験場畜産部 北海道立農業試験場根室支場 北海道立滝川畜産試験場 北海道立新得畜産試験場 |
1. 来歴
1947年カナダのForage Crops Division, Experimental Farm, Ottawaにおいて広く蒐集した種子を材料として合成品種法により育成した品種である。育成地で多葉で再生力にとみ、また銹病抵抗性であるとされている。現在Breederseedは育成先で保有、保証種子はカナダおよびアメリカにおいて生産されている。
本品種は、昭和33年にカナダ産のものは育成地よりアメリカ産のものはベルツビルの農務省中央農業研究所より入手、爾来5ヵ年間にわたって北海道農試畜産部、北海道立農試根室支場、滝川畜試および新得畜産(4ヵ年間)において、その特性および生産力を調査してきた。
2. 特性概要および奨励態度
チモシー品種クライマツクス(Climax)は早生型に属し、草丈高く小穂長、葉長、葉巾が大きく、茎は割合太い方で、葉の形質についでは「北海道在来種」に比しまさるとみとめられた。
斑点病、条葉枯病等の病害発生は「北海道在来種」と同程度である。
直立型で刈取品種に属するものとみとめられるが、stooling powerが大で、ほとんどの倒伏することがない。
耐寒性に富み、寒冷地においても冬枯はみとめられない。本品種は、比較的適応性の広い品種とみとめられ、とくに根釧内陸地域において2番草の再生も良好できわめて多収であるが、道央地帯では該地域ほどの多収性は発揮しない。
道央地帯における2番草の再生不良は、とくに気温と土壌水分の影響が考えられるから、本品種の導入にあたってはとくに乾燥地をさけることが望ましい。試験結果から本品種は、全道的には比較的安定した生産力を示す品種とみとめられたが、根釧内陸地域においてすぐれた生産力をしめすから、該地域の限定品種としてこれを普及したい。
これが利用にあたっては、たとえば、マメ科との単純組合せによる乾草生産となすばあいは、赤クロバー中生種siloとの混播利用がのぞましい。またマメ科、イネ科との数種混播による採草、放牧等の複合利用については、未調査に終ったが、利用の可能性は考えられる。
なお根室支場の試験結果では、OmniaもClimaxに匹敵する生産力をしめし、優良とみとめられたが、該地域において諸般の事情でClimaxの導入を不可能とする場合は、Omniaがこれに代わりうる品種となろう。
3. 試験成績
A 北海道農業試験場畜産部
1. 試験方法
イ) 耕種概要
| 播種目 | 播種法 | 施肥量(kg/10a) | ||||
| 播き方 | 畦巾 (㎝) |
播種量 (g/10a) |
硫安 | 過石 | 硫加 | |
| 昭33.6.23 | 条播 | 50 | 900 | 30 | 20 | 15 |
ロ) 試験区の配置 乱塊法r=3
ハ) 1区面積 19.25㎡
ニ) 供試面積 14.1a
ホ) 供試材料
ⅰ) 品種数 19
ⅱ) 品種名 下記のとおり
| 品種名 | 取寄先 |
| Bottnia | スエーデン |
| Climax(U.S.A) | アメリカ |
| Climax(Canada) | カナダ |
| Cornell 1777 | アメリカ |
| Drummond | アメリカ |
| Dutch | オランダ |
| Essex | アメリカ |
| Hopkins | アメリカ |
| Medon(U.S.A) | アメリカ |
| Medon(Canada) | カナダ |
| Omnia | スエーデン |
| No.90 | イギリス |
| No.103(Vidarshov) | デンマーク(ノルウエー育成) |
| No.105(Grindstad) | デンマーク(ノルウエー育成) |
| S.48 | イギリス |
| S.50 | イギリス |
| S.51 | イギリス |
| Stirling shire | イギリス |
| Local Variety | 道産 |
第1表 チモシー品種の年次別生草収量比
| 品種名 | 年次別収量 | ||||||||||||||
| Local Variety 100に対する指数 |
2年目 100に対する指数 | 2年目 Local Variety 100に対する指数 |
|||||||||||||
| 昭33 | 昭34 | 昭35 | 昭36 | 昭37 | 昭33 | 昭34 | 昭35 | 昭36 | 昭37 | 昭33 | 昭34 | 昭35 | 昭36 | 昭37 | |
| Bottnia | 60.07 | 91.49 | 75.37 | 84.48 | 56.34 | 13.34 | 100.00 | 68.54 | 68.26 | 62.52 | 12.20 | 91.49 | 62.71 | 62.46 | 57.21 |
| Climax(U.S.A) | 84.85 | 101.56 | 90.21 | 95.00 | 104.92 | 16.97 | 100.00 | 73.90 | 69.19 | 68.45 | 17.23 | 101.56 | 75.06 | 70.24 | 69.52 |
| Climax(Canada) | 99.11 | 102.97 | 90.12 | 96.47 | 114.48 | 19.55 | 100.00 | 72.82 | 69.27 | 71.73 | 20.13 | 102.97 | 74.98 | 71.33 | 73.86 |
| Cornell 1777 | 67.91 | 91.71 | 77.20 | 87.81 | 80.33 | 15.04 | 100.00 | 70.04 | 70.79 | 58.03 | 13.79 | 91.71 | 64.23 | 64.92 | 53.22 |
| Drummond | 71.12 | 98.83 | 87.47 | 87.66 | 98.36 | 14.63 | 100.00 | 73.71 | 65.64 | 66.01 | 14.45 | 98.73 | 72.77 | 64.81 | 65.17 |
| Dutch | 35.65 | 102.17 | 84.07 | 84.18 | 102.19 | 7.09 | 100.00 | 68.46 | 60.91 | 66.27 | 7.24 | 102.17 | 69.95 | 62.24 | 67.71 |
| Essex | 45.99 | 91.71 | 78.37 | 70.13 | 89.62 | 10.18 | 100.00 | 71.10 | 56.53 | 64.75 | 9.34 | 91.71 | 65.21 | 51.85 | 59.38 |
| Hopkins | 44.74 | 105.03 | 86.03 | 97.40 | 96.72 | 8.65 | 100.00 | 68.15 | 68.56 | 61.01 | 9.09 | 105.03 | 71.58 | 72.01 | 64.08 |
| Medon(U.S.A) | 55.97 | 100.22 | 81.90 | 94.17 | 102.73 | 11.34 | 100.00 | 67.92 | 67.99 | 67.92 | 11.37 | 100.22 | 68.14 | 69.62 | 68.07 |
| Medon(Canada) | 68.45 | 93.48 | 81.72 | 96.96 | 112.57 | 14.91 | 100.00 | 72.73 | 76.69 | 79.78 | 13.94 | 93.48 | 67.99 | 71.69 | 74.58 |
| No.90 | 54.01 | 91.56 | 85.60 | 87.66 | 100.00 | 11.98 | 100.00 | 77.78 | 70.78 | 72.36 | 10.97 | 91.56 | 71.22 | 64.81 | 66.26 |
| No.103(Vidarshov) | 86.09 | 93.41 | 78.59 | 92.16 | 93.00 | 18.72 | 100.00 | 70.00 | 72.95 | 66.67 | 17.49 | 43.41 | 65.39 | 68.14 | 62.27 |
| No.105(Grindstad) | 82.17 | 89.68 | 74.59 | 79.63 | 75.41 | 18.61 | 100.00 | 69.20 | 66.37 | 55.71 | 16.69 | 89.68 | 62.06 | 58.87 | 49.96 |
| Omnia | 85.38 | 90.23 | 80.46 | 93.14 | 98.91 | 19.22 | 100.00 | 74.20 | 76.32 | 72.63 | 37.34 | 90.23 | 66.94 | 68.86 | 65.53 |
| S.48 | 50.09 | 87.44 | 85.68 | 71.84 | 108.20 | 11.64 | 100.00 | 81.53 | 63.40 | 81.99 | 10.17 | 87.44 | 71.29 | 55.43 | 71.69 |
| S.50 | 28.16 | 81.10 | 51.09 | 46.03 | 95.63 | 7.05 | 100.00 | 52.41 | 41.96 | 78.13 | 5.72 | 81.10 | 42.51 | 34.03 | 63.36 |
| S.51 | 72.37 | 115.46 | 94.65 | 92.90 | 93.99 | 12.73 | 100.00 | 68.20 | 59.49 | 53.94 | 14.70 | 115.46 | 78.75 | 68.68 | 62.27 |
| Stirling shire | 72.37 | 94.06 | 71.71 | 88.74 | 86.89 | 15.63 | 100.00 | 63.43 | 69.75 | 61.20 | 14.70 | 94.06 | 59.67 | 65.61 | 57.56 |
| Local Variety | 100.00 | 100.00 | 100.00 | 100.00 | 100.00 | 20.31 | 100.00 | 83.20 | 73.93 | 66.26 | 20.31 | 100.00 | 83.20 | 73.93 | 66.26 |
第2表 チモシー品種の年次間合計収量比(生草)
| 品種名 | 合計収量比(Local Var.100に対する指数) | 番草別合計収量比 (Local Var.100に対する指数) |
|||||||
| 1~2年 | 1~3年 | 1~4年 | 1~5年 | 2~5年 | 1~5年 | 2~5年 | |||
| 1番草 | 2番草 | 1番草 | 2番草 | ||||||
| Bottnia | 86.19 | 81.76 | 82.49 | 83.23 | 84.69 | 86.16 | 60.07 | 88.02 | 60.07 |
| Climax(U.S.A) | 98.74 | 95.25 | 95.19 | 97.06 | 97.83 | 99.56 | 77.32 | 100.61 | 77.32 |
| Climax(Canada) | 102.32 | 97.33 | 97.11 | 99.87 | 99.92 | 101.57 | 86.50 | 101.74 | 86.50 |
| Cornell 1777 | 87.69 | 83.40 | 84.58 | 83.76 | 84.75 | 83.57 | 86.88 | 85.73 | 86.88 |
| Drummond | 94.07 | 91.37 | 90.38 | 91.92 | 93.23 | 94.78 | 69.35 | 96.47 | 69.35 |
| Dutch | 90.94 | 88.13 | 87.08 | 90.00 | 93.42 | 91.28 | 79.85 | 95.24 | 79.85 |
| Essex | 83.99 | 81.69 | 78.61 | 80.73 | 82.92 | 83.75 | 56.89 | 86.45 | 56.89 |
| Hopkins | 94.85 | 91.24 | 92.89 | 93.63 | 96.70 | 95.18 | 81.35 | 98.78 | 81.35 |
| Medon(U.S.A) | 92.75 | 88.31 | 89.87 | 92.35 | 94.64 | 94.17 | 77.98 | 96.90 | 77.98 |
| Medon(Canada) | 89.29 | 86.19 | 89.07 | 93.59 | 95.17 | 95.41 | 79.29 | 97.32 | 79.29 |
| No.90 | 85.22 | 85.37 | 85.99 | 88.69 | 90.87 | 90.39 | 75.26 | 92.98 | 75.26 |
| No.103(Vidarshov) | 92.17 | 86.62 | 88.10 | 89.23 | 89.43 | 91.32 | 72.73 | 91.70 | 72.73 |
| No.105(Grindstad) | 88.41 | 82.76 | 81.93 | 80.67 | 80.58 | 80.96 | 78.35 | 80.88 | 78.35 |
| Omnia | 89.41 | 85.75 | 87.72 | 89.88 | 90.15 | 91.64 | 75.91 | 92.08 | 75.91 |
| S.48 | 81.13 | 82.99 | 80.73 | 86.13 | 88.39 | 87.85 | 72.54 | 90.54 | 72.54 |
| S.50 | 72.16 | 63.55 | 58.88 | 65.96 | 68.34 | 70.16 | 32.80 | 73.16 | 32.80 |
| S.51 | 108.18 | 102.65 | 100.05 | 98.88 | 100.55 | 99.01 | 97.84 | 100.92 | 97.84 |
| Stirling shire | 90.40 | 82.76 | 84.36 | 84.84 | 85.63 | 84.94 | 84.07 | 85.84 | 84.07 |
| Local Variety | 100.00 | 100.00 | 100.00 | 100.00 | 100.00 | 100.00 | 100.00 | 100.00 | 100.00 |
第3表 チモシー品種の年次物乾物収量と収量比
| 品種名 | 年次別収量比 | ||||||||||||||
| Local Variety 100に対する指数 |
2年目 100に対する指数 | 2年目 Local Variety 100に対する指数 |
|||||||||||||
| 昭33 | 昭34 | 昭35 | 昭36 | 昭37 | 昭33 | 昭34 | 昭35 | 昭36 | 昭37 | 昭33 | 昭34 | 昭35 | 昭36 | 昭37 | |
| Bottnia | 59.09 | 89.10 | 72.01 | 78.28 | 68.83 | 9.35 | 100.00 | 59.83 | 64.39 | 63.55 | 8.33 | 89.10 | 53.31 | 57.37 | 56.63 |
| Climax(U.S.A) | 87.88 | 95.73 | 90.19 | 90.67 | 102.60 | 12.95 | 100.00 | 69.75 | 69.42 | 88.17 | 12.39 | 95.73 | 66.78 | 66.45 | 84.40 |
| Climax(Canada) | 104.55 | 94.12 | 87.59 | 92.86 | 89.61 | 15.66 | 100.00 | 68.90 | 72.30 | 78.32 | 14.74 | 94.13 | 64.85 | 68.06 | 73.72 |
| Cornell 1777 | 67.42 | 89.42 | 59.80 | 89.21 | 79.22 | 10.63 | 100.00 | 71.45 | 73.12 | 72.88 | 9.51 | 89.43 | 63.89 | 65.39 | 65.17 |
| Drummond | 65.91 | 84.40 | 77.20 | 77.70 | 88.35 | 11.01 | 100.00 | 67.72 | 67.47 | 86.08 | 9.30 | 84.40 | 57.16 | 56.95 | 72.65 |
| Dutch | 33.33 | 89.00 | 78.93 | 71.14 | 80.52 | 5.28 | 100.00 | 65.67 | 58.58 | 74.43 | 4.70 | 89.00 | 58.44 | 52.14 | 66.24 |
| Essex | 43.18 | 86.00 | 74.31 | 50.00 | 74.03 | 7.08 | 100.00 | 63.98 | 42.61 | 70.81 | 6.09 | 86.01 | 55.03 | 36.65 | 60.20 |
| Hopkins | 40.15 | 101.18 | 80.66 | 94.17 | 88.31 | 5.60 | 100.00 | 59.03 | 68.22 | 71.81 | 5.66 | 101.18 | 59.72 | 69.02 | 72.65 |
| Medon(U.S.A) | 48.48 | 97.44 | 86.15 | 86.15 | 85.71 | 7.02 | 100.00 | 65.46 | 64.80 | 72.37 | 6.84 | 97.44 | 63.78 | 63.14 | 70.51 |
| Medon(Canada) | 64.39 | 90.17 | 75.90 | 89.50 | 102.60 | 10.07 | 100.00 | 62.32 | 72.75 | 93.60 | 9.08 | 90.17 | 56.20 | 65.60 | 84.40 |
| No.90 | 126.52 | 83.23 | 86.58 | 80.03 | 87.01 | 21.44 | 100.00 | 77.02 | 70.47 | 86.01 | 17.84 | 83.23 | 64.10 | 58.66 | 71.58 |
| No.103(Vidarshov) | 86.36 | 86.65 | 76.62 | 87.46 | 81.82 | 14.06 | 100.00 | 65.47 | 73.98 | 77.68 | 12.18 | 86.65 | 56.73 | 64.10 | 67.31 |
| No.105(Grindstad) | 83.33 | 90.38 | 71.86 | 74.20 | 61.04 | 13.00 | 100.00 | 58.87 | 60.17 | 55.56 | 11.75 | 90.39 | 53.21 | 54.38 | 50.21 |
| Omnia | 82.58 | 88.35 | 75.76 | 91.98 | 90.91 | 13.18 | 100.00 | 63.48 | 76.30 | 84.64 | 11.65 | 88.36 | 56.09 | 67.42 | 74.79 |
| S.48 | 48.48 | 82.37 | 88.46 | 62.10 | 93.51 | 8.30 | 100.00 | 79.51 | 55.25 | 93.39 | 6.84 | 82.37 | 65.49 | 45.51 | 76.92 |
| S.50 | 26.52 | 71.90 | 46.03 | 44.31 | 89.61 | 5.20 | 100.00 | 47.40 | 45.17 | 102.53 | 3.74 | 71.90 | 34.08 | 32.48 | 73.72 |
| S.51 | 65.15 | 104.49 | 94.66 | 82.22 | 76.62 | 8.79 | 100.00 | 67.08 | 57.67 | 60.33 | 9.19 | 104.49 | 70.09 | 60.26 | 63.04 |
| Stirlingshire | 77.27 | 96.47 | 78.21 | 86.59 | 81.82 | 11.30 | 100.00 | 60.02 | 65.68 | 69.77 | 10.90 | 96.48 | 57.91 | 63.46 | 67.31 |
| Local Variety | 100.00 | 100.00 | 100.00 | 100.00 | 100.00 | 14.10 | 100.00 | 74.04 | 73.29 | 82.26 | 14.10 | 100.00 | 74.04 | 73.29 | 82.27 |
第4表 チモシー品種の年次間合計収量比(乾物)
| 品種名 | 合計収量比(Local Var.100に対する指数) | 番草別合計収量比 (Local Var.100に対する指数) |
|||||||
| 1~2年 | 1~3年 | 1~4年 | 1~5年 | 2~5年 | 1~5年 | 2~5年 | |||
| 1番草 | 2番草 | 1番草 | 2番草 | ||||||
| Bottnia | 85.39 | 80.12 | 79.61 | 77.03 | 77.80 | 79.03 | 59.94 | 79.99 | 59.94 |
| Climax(U.S.A) | 94.76 | 92.96 | 94.16 | 94.78 | 95.07 | 96.84 | 77.14 | 67.27 | 77.15 |
| Climax(Canada) | 95.41 | 92.33 | 92.48 | 91.79 | 91.25 | 93.30 | 78.93 | 92.76 | 78.93 |
| Cornell 1777 | 86.70 | 86.54 | 87.29 | 85.36 | 86.13 | 85.42 | 84.87 | 86.28 | 84.87 |
| Drummond | 82.12 | 80.18 | 79.49 | 81.60 | 82.27 | 83.33 | 66.77 | 84.17 | 66.77 |
| Dutch | 82.12 | 80.86 | 78.14 | 78.71 | 80.65 | 79.93 | 68.25 | 82.17 | 68.25 |
| Essex | 80.71 | 78.19 | 70.29 | 71.18 | 72.38 | 73.30 | 53.12 | 74.75 | 53.12 |
| Hopkins | 63.63 | 88.53 | 90.11 | 89.68 | 91.80 | 91.18 | 76.85 | 93.63 | 76.85 |
| Medon(U.S.A) | 91.39 | 89.32 | 88.43 | 87.78 | 89.47 | 89.62 | 72.11 | 91.59 | 72.11 |
| Medon(Canada) | 86.99 | 82.62 | 84.55 | 88.87 | 89.92 | 90.03 | 78.93 | 91.27 | 78.93 |
| No.90 | 79.21 | 82.11 | 81.53 | 82.84 | 84.21 | 84.10 | 72.11 | 85.70 | 72.11 |
| No.103(Vidarshov) | 86.61 | 82.68 | 84.02 | 83.49 | 83.37 | 85.00 | 70.62 | 48.98 | 70.62 |
| No.105(Grindstad) | 89.51 | 82.57 | 80.22 | 75.63 | 75.30 | 75.73 | 74.78 | 75.36 | 74.78 |
| Omnia | 87.64 | 82.96 | 85.49 | 86.79 | 86.97 | 88.40 | 73.00 | 88.68 | 73.00 |
| S.48 | 78.18 | 82.23 | 76.58 | 61.33 | 82.01 | 61.46 | 60.24 | 85.04 | 60.24 |
| S.50 | 66.29 | 58.32 | 54.39 | 62.82 | 64.38 | 99.01 | 35.61 | 67.90 | 35.61 |
| S.51 | 99.63 | 97.67 | 93.34 | 89.34 | 90.37 | 89.91 | 88.13 | 90.65 | 88.13 |
| Stirlingshire | 94.10 | 87.85 | 87.49 | 86.14 | 86.52 | 86.48 | 83.09 | 86.94 | 83.09 |
| Local Variety | 100.00 | 100.00 | 100.00 | 100.00 | 100.00 | 100.00 | 100.00 | 100.00 | 100.00 |

| 品種名 | 1.番草 | 2.番草 | |||||||||||||
| 出穂 | 開花 | 草丈 (㎝) |
小穂長 (㎝) |
葉長 (㎝) |
葉巾 (㎝) |
茎の 太さ (㎜) |
茎数 | 茎葉率 (%) |
乾物率 (%) |
草丈 (㎝) |
乾物率 (%) |
||||
| 始 (月日) |
期 (月日) |
揃 (月日) |
始 (月日) |
期 (月日) |
|||||||||||
| 平均 | 平均 | 平均 | 平均 | 平均 | 平均 | 平均 | 平均 | 平均 | 平均 | 平均 | 平均 | 平均 | 平均 | 平均 | |
| Bottnia | 6.12 | 6.19 | 6.23 | 7.7 | 7.10 | 111.1 | 11.0 | 27.2 | 0.80 | 2.36 | 648 | 82:18 | 31.20 | 38.4 | 28.24 |
| Climax(U.S.A) | 6.15 | 6.20 | 6.23 | 7.7 | 7.10 | 120.0 | 10.4 | 30.4 | 0.93 | 2.24 | 656 | 81:19 | 31.48 | 42.4 | 29.08 |
| Climax(Canada) | 6.15 | 6.20 | 6.25 | 7.9 | 7.13 | 125.2 | 11.9 | 31.3 | 0.97 | 2.59 | 601 | 81:19 | 31.03 | 44.2 | 27.58 |
| Cornell 1777 | 6.13 | 6.18 | 6.21 | 7.7 | 7.10 | 119.0 | 10.4 | 26.5 | 0.83 | 2.18 | 618 | 83:17 | 34.18 | 44.1 | 28.30 |
| Drummond | 6.16 | 6.23 | 6.27 | 7.8 | 7.12 | 113.5 | 12.1 | 31.1 | 0.83 | 2.27 | 613 | 79:21 | 28.55 | 42.1 | 27.33 |
| Dutch | 6.17 | 6.25 | 6.29 | 7.11 | 7.16 | 103.8 | 11.9 | 27.8 | 0.87 | 2.21 | 582 | 78:22 | 29.32 | 34.0 | 23.59 |
| Essex | 6.19 | 6.27 | 6.20 | 7.11 | 7.16 | 103.1 | 10.7 | 30.0 | 0.90 | 2.30 | 815 | 77:23 | 28.11 | 33.8 | 26.54 |
| Hopkins | 6.16 | 6.24 | 6.28 | 7.10 | 7.15 | 117.8 | 9.6 | 30.2 | 0.83 | 2.21 | 594 | 80:20 | 31.46 | 43.4 | 28.85 |
| Medon(U.S.A) | 6.14 | 6.19 | 6.23 | 7.6 | 7.10 | 120.1 | 11.4 | 29.6 | 0.87 | 2.39 | 660 | 82:18 | 32.10 | 45.6 | 27.41 |
| Medon(Canada) | 6.14 | 6.20 | 6.24 | 7.7 | 7.10 | 115.2 | 10.2 | 28.4 | 0.90 | 2.35 | 656 | 80:20 | 30.97 | 41.1 | 27.13 |
| No.90 | 6.17 | 6.24 | 6.26 | 7.10 | 7.14 | 111.3 | 9.7 | 32.6 | 0.83 | 2.23 | 618 | 79:21 | 31.02 | 41.0 | 27.20 |
| No.103(Vidarshov) | 6.14 | 6.18 | 6.21 | 7.4 | 7.9 | 110.8 | 10.2 | 25.7 | 0.80 | 2.28 | 678 | 84:16 | 31.05 | 35.7 | 28.54 |
| No.105(Grindstad) | 6.12 | 6.13 | 6.21 | 7.3 | 7.10 | 112.0 | 10.5 | 26.4 | 0.90 | 2.28 | 696 | 84:16 | 31.94 | 41.1 | 27.27 |
| Omnia | 6.16 | 6.19 | 6.23 | 7.7 | 7.10 | 114.8 | 10.8 | 29.6 | 0.87 | 2.34 | 705 | 82:18 | 31.99 | 38.4 | 27.48 |
| S.48 | 6.3 | 7.10 | 6.14 | 7.13 | 7.24 | 90.6 | 12.5 | 32.9 | 0.77 | 2.13 | 725 | 77:23 | 30.99 | 31.5 | 28.71 |
| S.50 | 6.14 | 6.21 | 6.25 | 7.4 | 7.11 | 72.3 | 5.0 | 13.8 | 0.50 | 1.70 | 1,173 | 74:26 | 29.78 | 22.8 | - |
| S.51 | 6.23 | 6.29 | 6.3 | 7.10 | 7.15 | 102.0 | 11.0 | 33.0 | 0.83 | 2.15 | 720 | 76:24 | 30.63 | 40.4 | 25.69 |
| Stirlingshire | 6.13 | 6.17 | 6.21 | 7.4 | 7.10 | 113.8 | 9.4 | 26.1 | 0.77 | 2.26 | 567 | 84:16 | 33.88 | 42.9 | 28.61 |
| Local Variety | 6.13 | 6.17 | 6.21 | 7.8 | 7.10 | 120.3 | 9.0 | 27.5 | 0.77 | 2.18 | 771 | 81:19 | 33.00 | 49.1 | 29.07 |
| 品種\葉位 | 葉身 | 葉鞘 | 合計 | ||||||||||
| 1 | 2 | 3 | 4 | 5 | 計 | 1 | 2 | 3 | 4 | 5 | 計 | ||
| Bottnia | 4.3 | 11.2 | 16.7 | 11.2 | 6.2 | 49.6 | 0 | 0 | 0 | 0 | 0.2 | 0.20 | 49.80 |
| Climax(U.S.A) | 6.2 | 10.9 | 14.3 | 14.0 | 4.4 | 49.8 | 0.13 | 0.03 | 0.03 | 0 | 0.14 | 0.33 | 50.13 |
| Climax(Canada) | 11.9 | 13.1 | 16.0 | 10.4 | 7.4 | 58.8 | 0 | 0 | 0 | 0 | 0 | 0 | 58.80 |
| Cornell 1777 | 8.9 | 13.6 | 27.4 | 23.2 | 11.6 | 84.7 | 0 | 0 | 0.20 | 0.3 | 0.80 | 1.30 | 86.00 |
| Drummond | 3.9 | 10.8 | 19.7 | 12.5 | 4.2 | 51.1 | 0 | 0 | 0.03 | 0.17 | 0.39 | 0.59 | 51.69 |
| Dutch | 5.4 | 13.8 | 21.3 | 24.7 | 7.0 | 72.2 | 0 | 0 | 0 | 0.03 | 0.20 | 0.23 | 72.43 |
| Essex | 2.2 | 9.7 | 13.4 | 10.1 | 3.6 | 39.0 | 0 | 0.10 | 0 | 0.10 | 0.04 | 0.24 | 39.24 |
| Hopkins | 5.4 | 11.8 | 10.3 | 11.5 | 5.3 | 44.3 | 0.30 | 0.07 | 0 | 0.20 | 0.12 | 0.69 | 44.99 |
| Medon(U.S.A) | 3.9 | 11.1 | 16.0 | 23.5 | 22.8 | 77.3 | 0.03 | 0 | 0 | 0.10 | 1.90 | 2.03 | 79.33 |
| Medon(Canada) | 3.6 | 10.5 | 15.9 | 16.3 | 10.2 | 56.5 | 0 | 0 | 0 | 0.07 | 0.20 | 0.27 | 56.77 |
| No.90 | 7.3 | 13.3 | 14.7 | 13.8 | 8.3 | 57.4 | 0 | 0 | 0 | 0.10 | 0.20 | 0.30 | 57.70 |
| No.103(Vidarshov) | 3.6 | 8.4 | 16.0 | 11.5 | 7.5 | 47.0 | 0.03 | 0 | 0 | 0.03 | 0.24 | 0.30 | 47.30 |
| No.105(Grindstad) | 2.2 | 8.2 | 16.8 | 14.5 | 4.2 | 45.9 | 0.07 | 0 | 0 | 0.07 | 0.03 | 0.17 | 46.07 |
| Omnia | 6.3 | 14.4 | 23.1 | 16.7 | 7.4 | 67.9 | 0.07 | 0.03 | 0.30 | 0.17 | 0.06 | 0.63 | 68.53 |
| S.48 | 6.7 | 13.8 | 28.4 | 12.8 | 1.5 | 63.2 | 0 | 0 | 0 | 0 | 0 | 0 | 63.20 |
| S.50 | 4.0 | 10.1 | 23.9 | 32.7 | 20.2 | 90.9 | 0 | 0.10 | 0.40 | 0.90 | 1.90 | 3.30 | 94.20 |
| S.51 | 5.7 | 9.8 | 22.0 | 22.6 | 9.9 | 70.0 | 0 | 0 | 0 | 0.03 | 0.30 | 0.33 | 70.33 |
| Stirlingshire | 3.4 | 9.9 | 19.4 | 15.4 | 6.3 | 54.4 | 0.07 | 0.03 | 0 | 0.07 | 0.20 | 0.37 | 54.77 |
| Local Variety | 4.1 | 7.7 | 11.5 | 12.2 | 5.8 | 41.3 | 0 | 0 | 0 | 0 | 0.10 | 0.10 | 41.40 |
| 計 | 99.0 | 212.1 | 346.8 | 309.6 | 153.8 | 1121.3 | 0.70 | 0.36 | 0.96 | 2.34 | 7.02 | 11.38 | 1132.68 |
| 品種\葉位 | 葉身 | 計 | 平均 | ||||
| 1 | 2 | 3 | 4 | 5 | |||
| Bottnia | 94.2 | 43.3 | 9.6 | 0.7 | 0 | 147.8 | 28.56 |
| Climax(U.S.A) | 83.7 | 39.8 | 9.6 | 1.0 | 0.4 | 134.5 | 26.90 |
| Climax(Canada) | 85.0 | 40.2 | 9.0 | 2.8 | 0 | 137.0 | 27.40 |
| Cornell 1777 | 82.7 | 29.3 | 6.3 | 2.0 | 0 | 120.3 | 24.06 |
| Drummond | 92.7 | 48.6 | 9.7 | 4.3 | 0 | 155.3 | 31.06 |
| Dutch | 83.5 | 32.3 | 8.7 | 0.7 | 0.8 | 126.0 | 25.20 |
| Essex | 72.7 | 38.3 | 10.8 | 0.3 | 0 | 122.1 | 24.42 |
| Hopkins | 78.4 | 33.6 | 2.7 | 0.8 | 4.6 | 120.1 | 24.02 |
| Medon(U.S.A) | 85.0 | 34.9 | 6.0 | 1.3 | 0 | 127.2 | 25.44 |
| Medon(Canada) | 89.7 | 38.3 | 12.6 | 2.3 | 0 | 142.9 | 28.58 |
| No.90 | 87.3 | 38.7 | 8.2 | 0 | 0 | 134.2 | 26.84 |
| No.103(Vidarshov) | 100.0 | 59.6 | 17.6 | 4.3 | 0 | 181.5 | 36.30 |
| No.105(Grindstad) | 98.3 | 53.5 | 14.2 | 0.3 | 0 | 166.3 | 33.26 |
| Omnia | 85.5 | 44.7 | 10.7 | 2.7 | 0.6 | 144.2 | 28.84 |
| S.48 | 86.1 | 41.1 | 5.1 | 2.0 | 0 | 134.3 | 26.86 |
| S.50 | 96.7 | 76.7 | 35.8 | 11.0 | 1.9 | 122.1 | 44.42 |
| S.51 | 92.9 | 55.4 | 12.1 | 2.4 | 0 | 162.8 | 32.56 |
| Stirlingshire | 95.7 | 51.7 | 15.3 | 4.8 | 0 | 167.5 | 33.50 |
| Local Variety | 88.7 | 37.7 | 10.4 | 0.7 | 0.4 | 137.9 | 27.58 |
| 計 | 1678.8 | 837.7 | 214.4 | 44.4 | 8.7 | 2784.0 | |
| 分類 | 出穂期 | 品種名 |
| 極早生型 | 6.13 | |
| 14 | ||
| 早生型 | 15 | |
| 16 | ||
| 17 | Local Variety,Stirlingshire | |
| 18 | Cornell,No.,Grindstad,Medon(Canada) | |
| 19 | Bottnia,Medon(U.S.A),Omnia | |
| 20 | Climax(U.S.A&Canada) | |
| 21 | S.50 | |
| 中生型 | 22 | |
| 23 | ||
| 24 | Drummond,No.90 | |
| 25 | Dutch,Hopkins | |
| 26 | ||
| 27 | Essex | |
| 28 | ||
| 晩生型 | 29 | S.51 |
| 30 | ||
| 7.1 | ||
| 2 | ||
| 3 | ||
| 4 | ||
| 5 | ||
| 極晩生型 | 6 | |
| 7 | S.48 | |
| 8 |
ⅱ) 収量
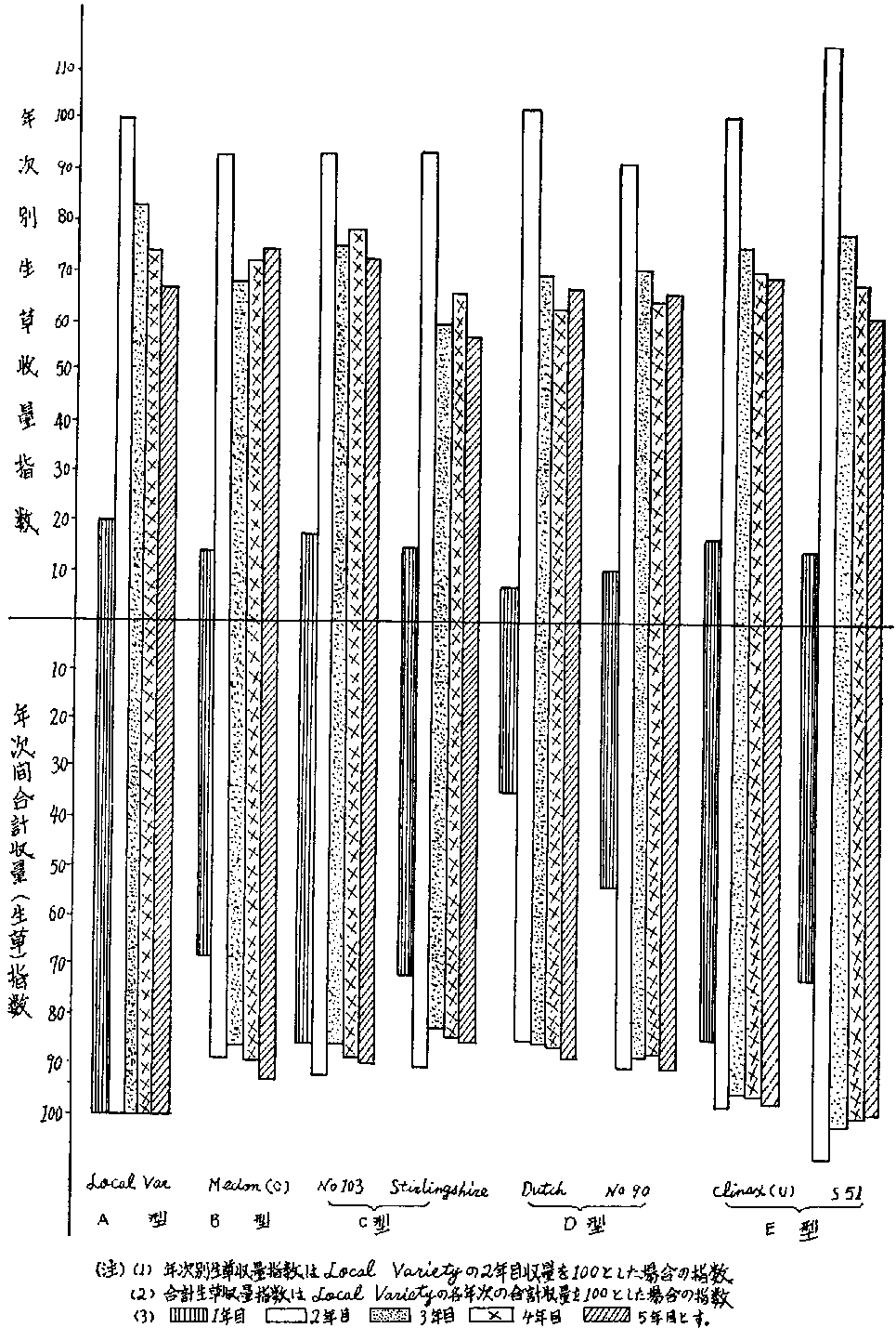
播種当年以降5ヵ年の合計収量は、Local Variety,Climax(Canada),S,Climax(U.S.A)等が多収にみとめられたが、Local
Varietyを凌駕する生産力をしめした品種は見出しえなかった。
しかしチモシーは播種2年目に最大生長をなし、各年次を通じてもっとも多収であるが、3年目以降における生産力の推移については、若干その様相を異にする。一般にLocal Varietyは輸入品種に比し、播種3年目の収量低減率は小で、3年目以降の生産力は年次の経過にともない緩慢な上向傾向をとるものに対し、輸入品種は4年目まで下向し5年目に回復するもの、隔年ごとに下向の程度が強くなるもの等いろいろの型がみられた。本試験の結果から品種と生産力の年次推移により分類すればつぎのとおりである。
| 型 | 概要 | 品種名 | |
| Ⅰ | A型 | 3年以降は緩慢な下向線を画く。(緩慢下向型) | Local Variety |
| Ⅱ | B型 | 3年目に急減し、4年目以降徐々に回復する。(急減回復型) | Medon(Canada) |
| Ⅲ | C型 | 3年目に急減し、4年目に1時回復、5年目に緩慢または急減する。(隔年下向型) | Cornell,Hopkins, No.103,Omnia, Stirlingshire |
| Ⅳ | D型 | 3年目に急減し、4年目にさらに緩慢下向、5年目に回復する。(下向回復型) | Climax(Canada), Drummond,Dutch,Essex, Medon(U.S.A), No.90,S.48,S.50 |
| Ⅴ | E型 | 3年目に急減または緩慢な下向を示し、以後も緩慢な下向を示す。(下向型) | Bottnia,S.51 Grindstad Climax(U.S.A) |
| 型 | 草丈 | 品種名 |
| 高 | 草丈120㎝以上 | Climax(U.S.A&Canada),Medon(U.S.A),Cornell1777,Cornell1777,Local Variety |
| 中 | 草丈110~120㎝ | Medon(Canada),Omnia,No.90,Grindstad,Bottnia,Drummond,No.103,Stirlingshire |
| 低 | 草丈100~110㎝ | S.51,Essex,Dutch,S.48 |
| 極低 | 草丈100㎝以下 | S.50 |
ⅳ) 茎数、茎葉率
茎数の最大はS.50でとくに多檗型とみとめられた。Essex,Local Variety,S.48,S.51,Omnia等の品種は、S.50を除けば茎数は多い方に属する。また茎葉率からみた場合S.50,S.48,S51,Essex,Dutch,Drummond,No.90,Hopkinsは葉の占める割合が比較的大きくNo.103,Grindstad,Stirlingshire,Cornell1777は小に属するとみとめられた。前者の場合は明らかに多葉型品種、後者の場合は多茎品種とみとめられる。したがってS系統の品種は多葉多茎型であることは確実であるが、その他の品種については、多葉型ほど茎数の少ない傾向がある。
ⅴ) 乾物率
品種の乾物率は、年次により多少差異した。Cornell1777,Stirlingshire,Local Varietyはいずれも大で、1番草の乾物率は33%以上に達する。Essex,Drummond,Dutch,S.50は30%以下でともに小とみとめられた。一般に乾物率は早生型品種が中、晩生型種に比し高い数値が得られた。
ⅵ) 発生病害はチモシー斑点病、チモシー条葉枯病を主とするが前者については、病斑数ではS系統とくにS50が圧倒的に多い。一般的には葉身では第3、第4葉、葉鞘では第4、第3葉位のものが多い。条葉枯病は第2葉位の葉身が圧倒的に多い。
これらの病害は、現在もっとも一般的にみられるものであるが、どの品種が抵抗性であるかについては、植物の生育ステージ、調査時期、その他の要因との関連もあるからにわかに決めがたい。
ⅶ) 品種の選定
試験結果によれば月寒では、LocalVarietyに比してとくに多収とみとむべき品種はみあたらないが、つぎの2品種は注目に価する。
Climax…早生型に属し、全道的に比較的安定した生産力をしめす。
S.51…晩生型に属し、LocalVarietyに匹敵する生産力をしめす。
牧草地において乾草またはサイレージ調製のための刈取りを行うにあたって、混播草種の熟期を揃えることができればはなはだ好都合である。
たとえばイネ科マメ科の単純組合わせによる乾草生産を行なう場合は、次の品種配合が適当とみとめられる。(刈取期:チモシー出穂揃期)
| チモシー早生型 (Climax) |
赤クロバー中生型 (Silo) |
| チモシー晩生型 (S.51) |
赤クロバー晩生型 (Mammoth red) |
| 播種期 | 畦巾 | 播種法 | 播種量 | 10a当り施肥量 | 備考 (2年目より) |
||
| 初年目 | 2年目 以降 |
||||||
| 昭和33年7月3日 | 50㎝ | 保播 | 10a当りg900 | 硫安 | 20㎏ | 30㎏ | 早春 3/6撒布 |
| 過石 | 15㎏ | 20㎏ | 1番刈後 2/6撒布 |
||||
| 硫加 | 7.5㎏ | 10㎏ | 2番刈後 1/6撒布 |
||||
ⅱ) 1区面積6.0×2.5m=15.0㎡(刈取面積6.0×1.5m=9.0㎡)
ⅲ) 試験区の配置 乱塊法 4反復
4. 供試品種
1) Bottnia Ⅱ
2) Climax(America)
3) Climax(Canada)
4) Cornell 1777
5) Dutchtimothy
6) Essex
7) Medon(America)
8) Medon(Canada)
9) Omnia
10) Drummond
11) Stirlingshire
12) No.90
13) No.103
14) No.105
15) S.48
16) S.50
17) S.51
18) Local Variety
5. 試験結果
考察
ⅰ) 生育について
早晩性について出穂期で判定すると、Cornell 1777が最も早く在来種に匹敵し、Stirlingshire,No.105,Bottnia Ⅱ,等がやや早生型に属し、S-51,Essex,Dutchtimothy,No.90,S.48等は遅い傾向を示した。
耐病性、主として斑点病について観察したが、Essexが最も罹病程度少なく、S.51,Bottnia Ⅱ等も比較的強い方であったが、その他の品種では大同小異であった。
ⅱ) 収量について
5ヵ年の合計乾物収量では、Omnia,Climax(A),Drummond,No.105,Medon(C),Medon(A)等がいずれも顕著な差をもって、在来種より高かった。総収量からみれば、Omnia,Climax(A)等がもっとも多収の傾向をしめすが、No.105は比較的早生型で、しかも収量性、飼料価値においても、これ等品種とほとんど匹敵するので、乾草調製上、早期刈取が要望される当地帯としてもっとも有望と思われる。
普及奨励の態度
1) 地域 根釧内陸
2) 利用目的 採草(耕地内)用
3) 普及奨励品種
生草収量、乾物収量、粗蛋白収量等を勘案し、Omnia,Climax(A)が当地域では、特にすぐれている。
第1表 チモシー品種の生育及び特性調査(昭35~37平均)
| 出穂時 | 000 (月日) |
出穂揃 (月日) |
開花始 (月日) |
開花期 (月日) |
穂長 (㎝) |
葉長 (㎝) |
葉巾 (㎜) |
茎の 太さ (㎜) |
葉色 | 斑点病 | |
| 平均 | 平均 | 平均 | 平均 | 平均 | 平均 | 平均 | 平均 | 平均 | |||
| 1 | Bottnia Ⅱ | 6.30 | 7.7 | 7.15 | 7.19 | 11.25 | 23.58 | 1.07 | 2.33 | 緑 | 2.2 |
| 2 | Climax(A) | 7.2 | 7.7 | 7.15 | 7.18 | 12.12 | 26.62 | 1.10 | 2.50 | 緑 | 2.5 |
| 3 | Climax(C) | 7.3 | 7.8 | 7.17 | 7.20 | 11.88 | 25.73 | 1.10 | 2.62 | 緑 | 2.9 |
| 4 | Cornell 1777 | 6.26 | 7.1 | 7.14 | 7.17 | 11.37 | 20.99 | 1.00 | 2.29 | 緑 | 3.3 |
| 5 | Dutchtimothy | 7.7 | 7.13 | 7.18 | 7.21 | 11.07 | 24.07 | 1.95 | 2.27 | ヤ濃緑 | 2.3 |
| 6 | Essex | 7.9 | 7.14 | 7.18 | - | 10.24 | 22.24 | 1.00 | 2.33 | ヤ濃緑 | 2.0 |
| 7 | Medon(A) | 7.2 | 7.7 | 7.15 | 7.19 | 10.97 | 25.03 | 1.00 | 2.34 | ヤ淡緑 | 2.6 |
| 8 | Medon(C) | 7.1 | 7.6 | 7.16 | 7.19 | 11.41 | 25.82 | 1.08 | 2.46 | 緑 | 2.4 |
| 9 | Omnia | 7.1 | 7.5 | 7.15 | 7.18 | 12.15 | 23.93 | 0.99 | 2.39 | ヤ濃緑 | 2.4 |
| 10 | Drummond | 6.3 | 7.9 | 7.16 | 7.16 | 12.31 | 26.93 | 1.02 | 2.44 | 緑 | 2.4 |
| 11 | Stirlingshire | 7.28 | 7.3 | 7.14 | 7.16 | 10.39 | 22.70 | 0.99 | 2.28 | ヤ淡緑 | 3.1 |
| 12 | No.90 | 7.7 | 7.11 | 7.18 | 7.20 | 10.14 | 24.32 | 0.97 | 2.31 | 淡緑 | 2.5 |
| 13 | No.103 | 7.1 | 7.5 | 7.14 | 7.18 | 11.00 | 22.24 | 0.96 | 2.29 | ヤ濃緑 | 2.4 |
| 14 | No.105 | 6.29 | 7.3 | 7.14 | 7.18 | 11.63 | 23.49 | 1.04 | 2.33 | 緑 | 2.4 |
| 15 | S.48 | - | - | - | - | 9.25 | 25.96 | 0.88 | 2.02 | ヤ淡緑 | 2.9 |
| 16 | S.50 | 7.2 | 7.6 | 7.15 | 7.18 | 6.19 | 9.82 | 0.60 | 2.79 | ヤ濃緑 | 3.5 |
| 17 | S.51 | 7.12 | 7.16 | - | - | 10.89 | 25.58 | 1.01 | 2.17 | 淡緑 | 2.3 |
| 18 | Local Variety | 6.26 | 7.1 | 7.14 | 7.17 | 10.98 | 22.95 | 0.98 | 2.42 | ヤ淡緑 | 2.9 |
| \ | 昭和33年 | 昭和34年 1~2番草 合計 |
昭和35年 1~2番草 合計 |
昭和36年 1~2番草 合計 |
昭和37年 1~2番草 合計 |
5ヵ年間合計 | ||
| 乾 % | 乾 % | 乾 % | 乾 % | 乾 % | 生 % | 乾 % | ||
| 1 | Bottnia Ⅱ | 79 | 86 | 115 | 111 | 94 | 109 | 99 |
| 2 | Climax(A) | 114 | 114 | 128 | 122 | 123 | 130 | 121 |
| 3 | Climax(C) | 73 | 93 | 116 | 109 | 107 | 111 | 105 |
| 4 | Cornell 1777 | 68 | 108 | 99 | 107 | 100 | 107 | 103 |
| 5 | Dutchtimothy | 23 | 66 | 95 | 97 | 87 | 89 | 84 |
| 6 | Essex | 87 | 103 | 100 | 100 | 95 | 102 | 99 |
| 7 | Medon(A) | 76 | 100 | 133 | 117 | 111 | 119 | 113 |
| 8 | Medon(C) | 123 | 108 | 123 | 118 | 109 | 120 | 114 |
| 9 | Omnia | 113 | 119 | 140 | 125 | 112 | 132 | 123 |
| 10 | Drummond | 67 | 98 | 138 | 129 | 109 | 127 | 116 |
| 11 | Stirlingshire | 99 | 94 | 105 | 100 | 90 | 99 | 96 |
| 12 | No.90 | 69 | 71 | 81 | 89 | 88 | 87 | 82 |
| 13 | No.103 | 101 | 86 | 108 | 103 | 90 | 103 | 96 |
| 14 | No.105 | 126 | 112 | 128 | 115 | 107 | 123 | 115 |
| 15 | S.48 | 30 | 72 | 90 | 91 | 78 | 89 | 81 |
| 16 | S.50 | 57 | 77 | 60 | 76 | 84 | 76 | 75 |
| 17 | S.51 | 28 | 73 | 90 | 101 | 93 | 93 | 88 |
| 18 | Local Variety | 100 | 100 | 100 | 100 | 100 | 100 | 100 |
第3表 チモシー品種、粗蛋白収量(1区 9.0㎡)
| 品種名\ | 昭和34年 | 昭和35年 | 昭和36年 | 昭和37年 | 4ヵ年合計 | ||
|
1~2番草 合計割合 (%) |
1~2番草 合計割合 (%) |
1~2番草 合計割合 (%) |
1~2番草 合計割合 (%) |
1番草割合 (%) |
2番草割合 (%) |
||
| 1 | Bottnia Ⅱ | 100 | 117 | 136 | 105 | 114 | 113 |
| 2 | Climax(A) | 167 | 128 | 133 | 150 | 147 | 137 |
| 3 | Climax(C) | 101 | 104 | 110 | 102 | 110 | 96 |
| 4 | Cornell 1777 | 109 | 92 | 110 | 105 | 106 | 101 |
| 5 | Dutchtimothy | 79 | 99 | 118 | 92 | 87 | 109 |
| 6 | Essex | 116 | 109 | 127 | 114 | 116 | 116 |
| 7 | Medon(A) | 106 | 140 | 118 | 129 | 130 | 114 |
| 8 | Medon(C) | 116 | 112 | 128 | 130 | 130 | 109 |
| 9 | Omnia | 166 | 138 | 149 | 126 | 148 | 133 |
| 10 | Drummond | 110 | 152 | 167 | 122 | 137 | 135 |
| 11 | Stirlingshire | 111 | 97 | 106 | 102 | 112 | 93 |
| 12 | No.90 | 86 | 86 | 104 | 96 | 91 | 95 |
| 13 | No.103 | 110 | 115 | 118 | 108 | 111 | 114 |
| 14 | No.105 | 134 | 160 | 149 | 139 | 147 | 143 |
| 15 | S.48 | 98 | 95 | 120 | 110 | 100 | 112 |
| 16 | S.50 | 84 | 76 | 104 | 104 | 54 | 141 |
| 17 | S.51 | 90 | 99 | 112 | 89 | 82 | 117 |
| 18 | Local Variety | 100 | 100 | 100 | 100 | 100 | 100 |
第4表 チモシー品種の早晩性
| 6月 | 7月 | 早晩性 | ||||||||||||||||||||||||||||
| 25 | 26 | 27 | 28 | 29 | 30 | 1 | 2 | 3 | 4 | 5 | 6 | 7 | 8 | 9 | 10 | 11 | 12 | 13 | 14 | 15 | 16 | 17 | 18 | 19 | 20 | 21 | 22 | |||
| 1 | Bottnia Ⅱ | - | - | - | - | - | A | - | - | - | - | - | - | B | - | - | - | - | - | - | - | C | - | - | - | D | - | - | - | 稍早生 |
| 2 | Climax(A) | - | - | - | - | - | - | - | A | - | - | - | - | B | - | - | - | - | - | - | - | C | - | - | D | - | - | - | - | 中生 |
| 3 | Climax(C) | - | - | - | - | - | - | - | - | A | - | - | - | - | B | - | - | - | - | - | - | - | - | C | - | - | D | - | - | 中生 |
| 4 | Cornell 1777 | - | A | - | - | - | - | B | - | - | - | - | - | - | - | - | - | - | - | - | C | - | - | D | - | - | - | - | - | 早生 |
| 5 | Dutchtimothy | - | - | - | - | - | - | - | - | - | - | - | - | A | - | - | - | - | - | B | - | - | - | - | C | - | - | D | - | 晩生 |
| 6 | Essex | - | - | - | - | - | - | - | - | - | - | - | - | - | - | A | - | - | - | - | B | - | - | - | C | - | - | - | - | 晩生 |
| 7 | Medon(A) | - | - | - | - | - | - | - | A | - | - | - | - | - | B | - | - | - | - | - | - | C | - | - | - | D | - | - | - | 中生 |
| 8 | Medon(C) | - | - | - | - | - | - | A | - | - | - | - | B | - | - | - | - | - | - | - | - | - | C | - | - | D | - | - | - | 中生 |
| 9 | Omnia | - | - | - | - | - | - | A | - | - | - | B | - | - | - | - | - | - | - | - | - | C | - | - | D | - | - | - | - | 中生 |
| 10 | Drummond | - | - | - | - | - | - | - | - | A | - | - | - | - | - | B | - | - | - | - | - | - | C | - | - | D | - | - | - | 中生 |
| 11 | Stirlingshire | - | - | - | A | - | - | - | - | B | - | - | - | - | - | - | - | - | - | - | C | - | D | - | - | - | - | - | - | 早生 |
| 12 | No.90 | - | - | - | - | - | - | - | - | - | - | - | - | A | - | - | - | B | - | - | - | - | - | - | C | - | D | - | - | 晩生 |
| 13 | No.103 | - | - | - | - | - | A | - | - | - | - | B | - | - | - | - | - | - | - | - | C | - | - | - | D | - | - | - | - | 稍早生 |
| 14 | No.105 | - | - | - | - | A | - | - | - | B | - | - | - | - | - | - | - | - | - | - | C | - | - | - | D | - | - | - | - | 稍早生 |
| 15 | S.48 | - | - | - | - | - | - | - | - | - | - | - | - | - | - | - | - | - | - | - | - | - | - | - | - | - | - | - | - | 晩生 |
| 16 | S.50 | - | - | - | - | - | - | - | A | - | - | - | B | - | - | - | - | - | - | - | - | C | - | - | D | - | - | - | - | 中生 |
| 17 | S.51 | - | - | - | - | - | - | - | - | - | - | - | - | - | - | - | - | - | A | - | - | - | B | - | - | - | - | - | - | 晩生 |
| 18 | Local Variety | - | A | - | - | - | - | B | - | - | - | - | - | - | - | - | - | - | - | - | C | - | - | D | - | - | - | - | - | 早生 |
| 早生 | 稍早生 | 中生 | 晩生 | |||||||||||||||||||||||||||
| 播種日 | 播種法 | 施肥量 kg/10a | 備考 | ||||||
| 方法 | 畦巾 | 播種量 | 堆肥 | 石灰 | 硫安 | 過石 | 硫加 | ||
| 昭34.5.29 | 条播 | 50㎝ | 900g/10a | 1,150 | 650 | 20 | 15 | 7.5 | 基肥 |
| - | - | 40 | 20 | 15 | 追肥 | ||||
(2) 試験区の配置 乱塊法 r=3
(3) 1区面積 15㎡(15m×2.5m)
(4) 供試面積 825㎡
(5) 供試品種数 15
2. 試験経過概要
刈取月日
| 品種名 | 昭34 | 昭35 | 昭36 | 昭37 | ||||
| 1番草 | 1番草 | 2番草 | 3番草 | 1番草 | 2番草 | 1番草 | 2番草 | |
| Bottnia | 8.10 | 7.5 | 9.1 | 9.30 | 6.27 | 9.13 | 7.3 | 9.7 |
| Climax | 7.29 | 7.5 | 8.18 | 9.30 | 6.27 | 8.21 | 6.27 | 9.3 |
| Cornell 1777 | 7.29 | 7.5 | 8.18 | 9.30 | 6.23 | 8.21 | 6.25 | 8.26 |
| Drummond | 8.8 | 7.5 | 8.22 | 9.30 | 6.30 | 8.31 | 7.5 | 9.7 |
| Essex | 8.5 | 7.5 | 8.28 | 9.30 | 7.4 | 8.31 | 7.5 | 9.8 |
| Kampe Ⅱ | 8.8 | 7.5 | 8.18 | 9.30 | 6.23 | 8.31 | 6.25 | 9.7 |
| Medon | 8.5 | 7.5 | 8.18 | 9.30 | 6.25 | 8.12 | 6.27 | 9.3 |
| No.90 | 8.10 | 7.5 | 9.1 | 9.30 | 6.30 | 9.13 | 7.5 | 9.7 |
| No.103 | 8.10 | 7.5 | 8.22 | 9.30 | 6.23 | 8.31 | 6.27 | 9.7 |
| No.105 | 8.8 | 7.5 | 8.22 | 9.30 | 6.25 | 9.13 | 6.26 | 9.7 |
| Omnia | 8.10 | 7.5 | 8.27 | 9.30 | 6.27 | 8.31 | 6.29 | 9.7 |
| S.50 | 8.28 | 7.5 | 9.1 | 9.30 | 7.4 | 9.13 | 7.13 | 9.7 |
| S.51 | 8.21 | 7.5 | 9.1 | 9.30 | 7.5 | 9.13 | 7.13 | 9.7 |
| Stirlingshire | 8.5 | 7.5 | 9.18 | 9.30 | 6.23 | 8.21 | 6.26 | 9.7 |
| Local Variety | 7.29 | 7.5 | 9.18 | 9.30 | 6.23 | 8.21 | 6.15 | 8.22 |
3. 試験結果
考察
本地域ではClimax,No.103が多収の傾向をなしているが、北海道在来種とは有意差の範囲内にはない。特性調査の結果からは、Climaxは早生型で、葉長、葉巾、穂長などの点で北海道在来種に比し大であることがみとめられたが、また、再生力では北海道在来種とともにやや強く、倒伏性は北海道在来種、Cornell 1777、Medonとともに少ない。
第1表 チモシー品種の年次収量比(生草収量比)
| 品種名 | 昭34年 | 昭35年 | 昭36年 | 昭37年 | 昭34~37年 |
| 1番草比率 | 1番草比率 | 1番草比率 | 1番草比率 | 1番草比率 | |
| Bottnia | 148 | 100 | 108 | 104 | 105 |
| Climax | 127 | 104 | 117 | 112 | 111 |
| Cornell 1777 | 98 | 93 | 108 | 103 | 100 |
| Drummond | 138 | 107 | 106 | 103 | 107 |
| Essex | 147 | 101 | 103 | 102 | 104 |
| Kampe Ⅱ | 135 | 108 | 101 | 105 | 106 |
| Medon | 116 | 103 | 110 | 104 | 106 |
| No.90 | 107 | 99 | 105 | 87 | 98 |
| No.103 | 149 | 108 | 103 | 112 | 109 |
| No.105 | 143 | 106 | 100 | 92 | 102 |
| Omnia | 119 | 97 | 102 | 104 | 101 |
| S.50 | 160 | 82 | 96 | 89 | 91 |
| S.51 | 147 | 83 | 98 | 87 | 91 |
| Stirlingshire | 112 | 97 | 108 | 104 | 103 |
| Local Variety | 100 | 100 | 100 | 100 | 100 |
風乾収量比率
| 品種名 | 昭34年 | 昭35年 | 昭36年 | 昭37年 | 昭34~37年 |
| 1番草比率 | 1番草比率 | 1番草比率 | 1番草比率 | 1番草比率 | |
| Bottnia | 153 | 97 | 100 | 104 | 102 |
| Climax | 111 | 94 | 107 | 104 | 101 |
| Cornell 1777 | 84 | 94 | 101 | 99 | 97 |
| Drummond | 137 | 97 | 108 | 103 | 102 |
| Essex | 153 | 94 | 113 | 105 | 105 |
| Kampe Ⅱ | 132 | 107 | 104 | 96 | 104 |
| Medon | 116 | 99 | 105 | 104 | 102 |
| No.90 | 105 | 92 | 104 | 99 | 98 |
| No.103 | 158 | 102 | 105 | 107 | 106 |
| No.105 | 142 | 106 | 102 | 89 | 101 |
| Omnia | 121 | 95 | 104 | 101 | 100 |
| S.50 | 168 | 80 | 111 | 102 | 99 |
| S.51 | 153 | 76 | 108 | 99 | 95 |
| Stirlingshire | 111 | 97 | 99 | 105 | 100 |
| Local Variety | 100 | 100 | 100 | 100 | 100 |
| 品種名 | 昭34年 | 昭35年 | 昭36年 | 昭37年 |
| 1番草 | 1番草 | 1番草 | 1番草 | |
| Bottnia | 8.6 | 6.24 | 6.22 | 6.24 |
| Climax | 7.25 | 6.24 | 6.22 | 6.22 |
| Cornell 1777 | 7.26 | 6.23 | 6.18 | 6.16 |
| Drummond | 8.1 | 6.23 | 6.25 | 6.29 |
| Essex | 7.30 | 6.24 | 6.26 | 6.30 |
| Kampe Ⅱ | 8.5 | 6.23 | 6.19 | 6.17 |
| Medon | 7.28 | 6.24 | 6.21 | 6.22 |
| No.90 | 8.8 | 6.25 | 6.26 | 6.29 |
| No.103 | 8.4 | 6.23 | 6.20 | 6.20 |
| No.105 | 8.1 | 6.23 | 6.20 | 6.20 |
| Omnia | 8.8 | 6.23 | 6.22 | 6.23 |
| S.50 | 8.22 | 6.22 | 6.28 | 6.30 |
| S.51 | 8.20 | 6.28 | 6.30 | 7.2 |
| Stirlingshire | 7.31 | 6.23 | 6.20 | 6.18 |
| Local Variety | 7.23 | 6.23 | 6.18 | 6.17 |
| 品種名 | 節数 | 葉長 (㎜) |
葉巾 (㎜) |
穂長 (㎜) |
穂経 (㎜) |
穂色 | 再生力 | 倒伏 |
| Bottnia | 4.9 | 26.9 | 7.8 | 10.4 | 7.5 | 緑 | 中 | 中 |
| Climax | 4.8 | 32.1 | 9.7 | 11.6 | 7.0 | 淡緑紫 | やや強 | 少 |
| Cornell 1777 | 4.7 | 25.5 | 8.3 | 11.5 | 6.3 | 〃 | 中 | 〃 |
| Drummond | 4.7 | 32.0 | 8.6 | 11.2 | 7.6 | 緑 | やや強 | 中 |
| Essex | 4.5 | 30.0 | 8.7 | 10.6 | 7.2 | 〃 | 中 | 〃 |
| Kampe Ⅱ | 4.7 | 27.7 | 9.1 | 10.2 | 7.6 | 淡緑紫 | やや強 | 〃 |
| Medon | 4.8 | 27.8 | 9.0 | 10.6 | 7.6 | 〃 | 中 | 少 |
| No.90 | 4.7 | 30.5 | 8.4 | 11.2 | 8.1 | 緑 | やや強 | 中 |
| No.103 | 4.7 | 27.0 | 8.8 | 11.2 | 7.7 | 淡緑紫 | 〃 | 〃 |
| No.105 | 4.5 | 25.8 | 9.4 | 11.8 | 6.9 | 〃 | 〃 | 〃 |
| Omnia | 4.7 | 27.6 | 9.7 | 11.2 | 7.8 | 〃 | 強 | 〃 |
| S.50 | 5.0 | 12.5 | 3.5 | 7.1 | 5.7 | 淡緑 | 弱 | 多 |
| S.51 | 4.3 | 26.9 | 7.7 | 11.6 | 7.3 | 〃 | 中 | 中 |
| Stirlingshire | 4.7 | 27.5 | 8.8 | 11.3 | 6.9 | 淡緑紫 | やや強 | 〃 |
| Local Variety | 5.0 | 28.8 | 9.0 | 9.7 | 7.5 | 緑紫 | 〃 | 少 |
D 北海道立新得畜産試験場
1. 試験方法
(1) 耕種梗概
播種
| 播種日 | 播種法 | ||
| 点条播 | 畦巾 | 播種量 | |
| 昭34.6.6 | 条播 | 50㎝ | 900g/10a |
施肥(kg/10a)
| 肥料 | 基肥 | 追肥 | 追肥日 | |
| 肥料名 | 成分含量 | |||
| 堆肥 | % | 1,125 | 昭34.9.25 | |
| 硫安 | 21 | 20 (4.2) |
30 (6.3) |
昭35.7.27 昭35.9.20 |
| 過石 | 20 | 15 (3) |
20 (4) |
昭36.7.31 昭36.10.3 |
| 塩加 | 53 | 7.5 (3.9) |
10 (5.3) |
昭37.5.7 昭37.7.17 |
| 炭カル | 53 | 650 | ||
(2) 試験区の配置 乱塊法 r=3
(3) 1区面積 15㎡
(4) 供試面積 700㎡
(5) 供試材料
品種数 15
2. 試験結果
考察
(1) 4ヵ年の合計収量ではClimax、No.105、北海道在来種の順であるが、その差はわずかであり、これについでMedon、Kampe、Cornellの順である。
1番草はClimaxが北海道在来種より18%多収である。その順位はClimax、No.105、Medon、Kampe、北海道在来種、Cornellの順で2番草は北海道在来種Stirlingshire、No.105、Cornell、Kampe、Climaxが多い。
(2) 特性
ⅰ 草丈はClimaxが最高で、No.105、北海道在来種、Medon、Kampe、Stirlingshire、Cornellの順でEssex、S.51が低くく、S.50がもっとも低い。
ⅱ 茎の太さはClimaxが太く、No.90、S.51、S.50が細い。
(3) 越冬中の枯死
本試験中各品種ともにとくにみとめられないが、しかしS.50は比較的多い。
(4) 刈取後の再生
Climaxが良好であるが、北海道在来種、Stirlingshire、Cornell、No.90、No.105、Cornell、Kampeも良好と考えられる。
(5) 倒伏
S.51は比較的倒伏しやすいが、他の系統はみとめられない。
第1表 チモシー品種の年次別収量比
| 品種名 | 年次別収量比 | 年次別収量比 (2年目100に対する指数) |
||||||||||
| 生草(全体) | 乾物(全体) | |||||||||||
| 昭34 | 昭35 | 昭36 | 昭37 | 昭34 | 昭35 | 昭36 | 昭37 | 昭34 | 昭35 | 昭36 | 昭37 | |
| Bottnia | 93 | 72 | 96 | 88 | 69 | 92 | 71 | 73 | 9 | 100 | 727 | 123 |
| Climax | 136 | 99 | 114 | 102 | 113 | 96 | 102 | 91 | 9 | 100 | 115 | 104 |
| Cornell 1777 | 83 | 84 | 96 | 99 | 72 | 104 | 97 | 87 | 7 | 100 | 114 | 119 |
| Drummond | 81 | 80 | 85 | 74 | 59 | 88 | 78 | 60 | 7 | 100 | 107 | 93 |
| Essex | 99 | 76 | 78 | 88 | 55 | 82 | 76 | 72 | 7 | 100 | 102 | 117 |
| Kampe Ⅱ | 117 | 92 | 99 | 93 | 83 | 92 | 86 | 85 | 9 | 100 | 107 | 103 |
| Medon | 128 | 90 | 99 | 100 | 100 | 113 | 97 | 85 | 10 | 100 | 110 | 112 |
| Omnia | 52 | 67 | 85 | 77 | 39 | 70 | 93 | 71 | 5 | 100 | 125 | 115 |
| Stirlingshire | 96 | 84 | 86 | 83 | 70 | 86 | 76 | 70 | 8 | 100 | 103 | 100 |
| No.90 | 63 | 78 | 92 | 87 | 49 | 82 | 83 | 68 | 5 | 100 | 117 | 117 |
| No.103 | 108 | 75 | 87 | 92 | 75 | 85 | 84 | 69 | 9 | 100 | 109 | 117 |
| No.105 | 148 | 87 | 102 | 110 | 92 | 82 | 88 | 88 | 11 | 100 | 117 | 127 |
| S.50 | 14 | 32 | 28 | 61 | 17 | 32 | 27 | 53 | 3 | 100 | 87 | 193 |
| S.51 | 50 | 60 | 59 | 65 | 40 | 64 | 51 | 50 | 6 | 100 | 98 | 108 |
| 北海道在来種 | 100 | 100 | 100 | 100 | 100 | 100 | 100 | 100 | 7 | 100 | 100 | 101 |
| 品種名 | 生草合計収量比 | |||||||
| 在来種100に対する指数 | 総収量100に対する指数 | |||||||
| 1年目 | 1~2年 | 1~3年 | 1~4年 | 1年目 | 1~2年 | 1~3年 | 1~4年 | |
| Bottnia | 93 | 73 | 81 | 85 | 3 | 31 | 65 | 100 |
| Climax | 136 | 101 | 107 | 105 | 3 | 33 | 68 | 100 |
| Cornell 1777 | 83 | 84 | 89 | 93 | 2 | 31 | 55 | 100 |
| Drummond | 81 | 80 | 82 | 79 | 2 | 35 | 69 | 100 |
| Essex | 99 | 77 | 77 | 81 | 3 | 33 | 64 | 100 |
| Kampe Ⅱ | 117 | 93 | 96 | 95 | 3 | 34 | 68 | 100 |
| Medon | 128 | 92 | 95 | 99 | 3 | 33 | 66 | 100 |
| Omnia | 52 | 66 | 75 | 76 | 1 | 30 | 67 | 100 |
| Stirlingshire | 96 | 84 | 85 | 84 | 2 | 35 | 68 | 100 |
| No.90 | 63 | 77 | 84 | 86 | 2 | 31 | 66 | 100 |
| No.103 | 108 | 81 | 84 | 86 | 3 | 32 | 65 | 100 |
| No.105 | 148 | 91 | 96 | 101 | 3 | 31 | 64 | 100 |
| S.50 | 14 | 31 | 29 | 40 | 1 | 27 | 50 | 100 |
| S.51 | 50 | 60 | 59 | 61 | 2 | 34 | 65 | 100 |
| 北海道在来種 | 100 | 100 | 100 | 100 | 2 | 35 | 67 | 100 |
| 品種名 | 番草別合計収量比 (2~4年) |
乾物合計収量比 | ||||||
| 在来種100に 対する指数 |
1番草100に 対する指数 |
昭34 | 昭34 ~35 |
昭34 ~36 |
昭34 ~37 |
|||
| 1番草 | 2番草 | 1番草 | 2番草 | |||||
| Bottnia | 92 | 66 | 100 | 36 | 69 | 10 | 85 | 80 |
| Climax | 118 | 78 | 100 | 31 | 113 | 97 | 100 | 97 |
| Cornell 1777 | 100 | 78 | 100 | 39 | 72 | 101 | 99 | 95 |
| Drummond | 87 | 64 | 100 | 37 | 59 | 86 | 82 | 74 |
| Essex | 92 | 58 | 100 | 31 | 55 | 80 | 78 | 76 |
| Kampe Ⅱ | 103 | 78 | 100 | 37 | 83 | 92 | 89 | 87 |
| Medon | 108 | 72 | 100 | 33 | 101 | 113 | 105 | 97 |
| Omnia | 86 | 56 | 100 | 32 | 39 | 68 | 80 | 77 |
| Stirlingshire | 86 | 80 | 100 | 46 | 70 | 85 | 80 | 77 |
| No.90 | 97 | 66 | 100 | 34 | 49 | 80 | 81 | 76 |
| No.103 | 97 | 63 | 100 | 32 | 75 | 85 | 84 | 78 |
| No.105 | 110 | 78 | 100 | 35 | 92 | 85 | 85 | 86 |
| S.50 | 40 | 41 | 100 | 51 | 17 | 31 | 29 | 38 |
| S.51 | 64 | 57 | 100 | 44 | 40 | 62 | 45 | 54 |
| 北海道在来種 | 100 | 100 | 100 | 49 | 100 | 100 | 100 | 100 |
第3表 特性調査表
| 品種名 | 出穂 | 草丈 | 茎の太さ | 茎数 | ||||||
| 出穂期 | 初年目 出穂期 (%) |
昭34 平均 (㎝) |
昭35~37 3ヵ年平均 (2~4年目) |
昭34 平均 (㎜) |
昭36~37平均 (3~4年目) |
昭36~36平均 (3~400) |
||||
| 平均 (㎝) |
1番草 | 2番草 | 1番草 (㎜) |
2番草 (㎜) |
1番草 (本) |
2番草 (本) |
||||
| 平均 (㎝) |
平均 | |||||||||
| Bottnia | 7.2 | 0 | 37.0 | 77.3 | 49.6 | 2.18 | 2.49 | 2.47 | 446 | 423 |
| Climax | 6.28 | 27.8 | 62.0 | 97.7 | 55.8 | 2.90 | 2.92 | 2.48 | 440 | 373 |
| Cornell 1777 | 6.28 | 25.3 | 43.6 | 86.5 | 67.3 | 2.40 | 2.15 | 2.10 | 610 | 513 |
| Drummond | 7.2 | 0.2 | 43.9 | 78.9 | 47.7 | 2.60 | 2.46 | 2.44 | 540 | 437 |
| Essex | 7.3 | 6.7 | 43.5 | 72.3 | 46.8 | 2.40 | 2.31 | 2.26 | 624 | 491 |
| Kampe Ⅱ | 6.28 | 3.0 | 46.2 | 89.6 | 48.8 | 2.90 | 2.42 | 2.57 | 469 | 530 |
| Medon | 6.28 | 6.7 | 48.0 | 90.8 | 55.3 | 2.70 | 2.38 | 2.40 | 455 | 375 |
| Omnia | 7.2 | 0.3 | 43.9 | 83.0 | 48.4 | 2.06 | 2.68 | 2.45 | 494 | 462 |
| Stirlingshire | 6.27 | 11.0 | 45.0 | 87.7 | 52.3 | 2.30 | 2.27 | 2.40 | 535 | 518 |
| No.90 | 7.5 | 0.3 | 35.5 | 83.9 | 55.4 | 2.10 | 2.19 | 2.47 | 507 | 512 |
| No.103 | 7.2 | 0.7 | 40.3 | 80.6 | 48.2 | 2.18 | 2.41 | 2.22 | 483 | 439 |
| No.105 | 6.28 | 2.0 | 43.5 | 91.2 | 44.0 | 2.30 | 2.66 | 2.50 | 444 | 558 |
| S.50 | 6.30 | 0 | 17.5 | 42.1 | 25.2 | 1.50 | 1.52 | 1.19 | 649 | 474 |
| S.51 | 7.5 | 0 | 37.7 | 70.9 | 45.9 | 1.95 | 2.28 | 2.30 | 557 | 453 |
| 北海道在来種 | 6.28 | 26.8 | 53.3 | 90.0 | 75.9 | 2.44 | 2.34 | 2.21 | 495 | 489 |